Запчасти Case 330B (67A01002014[001]) - BACKUP ALARM / POSITION SENSOR (P.I.N. HHD0330BN7PG57000 AND AFTER) (84152753) (13) - Electrical System / Decals

Схема запчастей Case 330B - (67A01002014[001]) - BACKUP ALARM / POSITION SENSOR (P.I.N. HHD0330BN7PG57000 AND AFTER) (84152753) (13) - Electrical System / Decals
1
10
8
6
3
6
9
7
4
2
11
5
8
7
FIT
1:1
100%

Артикул

Название

Примечание

Количество

REF

INSTRUCTION

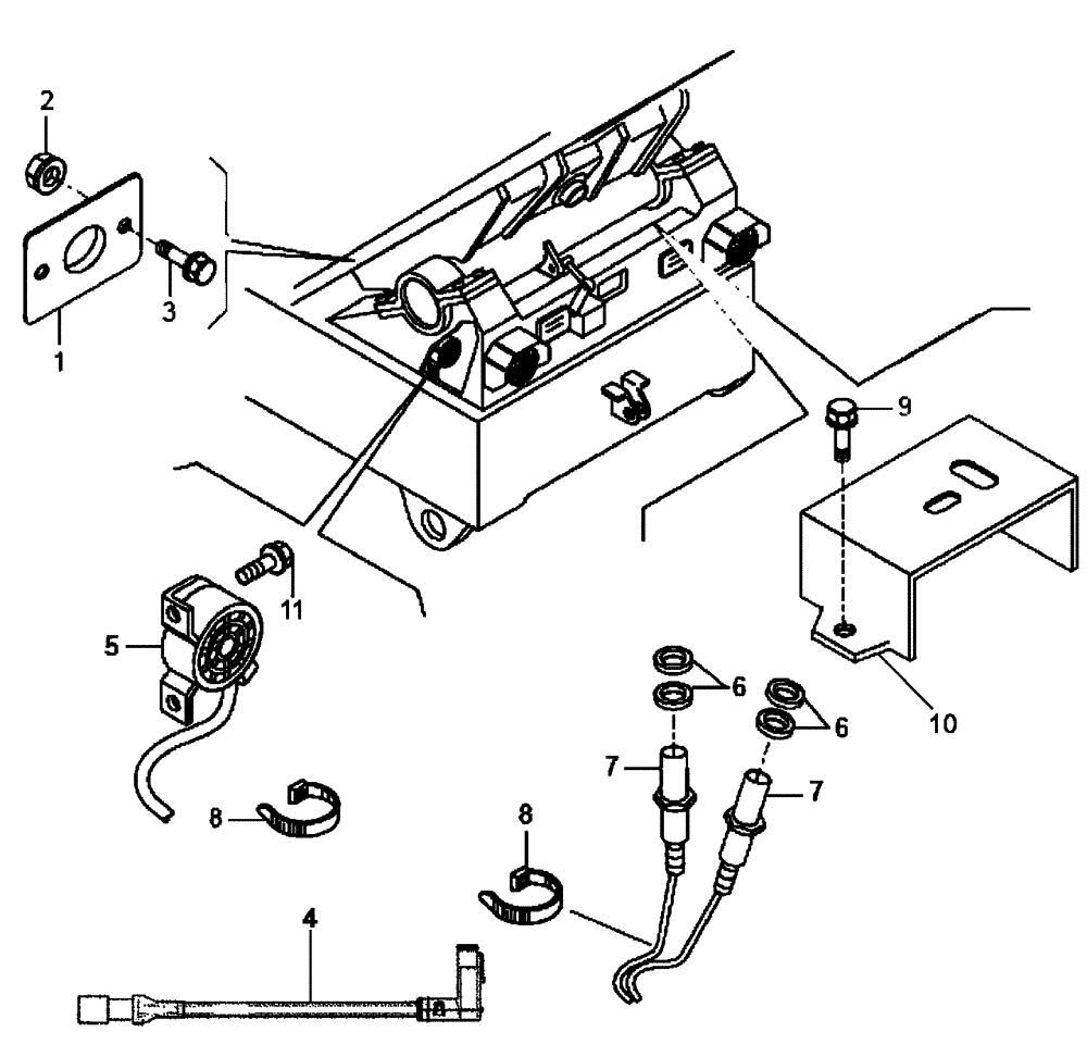
Rear Electrical Components (84152753)

1шт.

1

89500409030

PLATE

1шт.

2

8900125009

NUT

2шт.

3

8900124628

BOLT

M6 x 20

2шт.

4

89500438136

ELECTRIC CABLE

1шт.

5

89500434188

BACKUP ALARM

1шт.

6

8900958010

WASHER

Flat

4шт.

7

89500430614

SENSOR

Dump Body Position

2шт.

8

8900045763

STRAP

Band

10шт.

9

8916597924

BOLT

M8 x 14

2шт.

10

89500426827

SHIELD

1шт.

11

8900116550

BOLT,M6 x 10mm

M6 x 10

2шт.

12

89504037384

BRACKET

Not Illustrated

1шт.

Выбрано товаров: 13