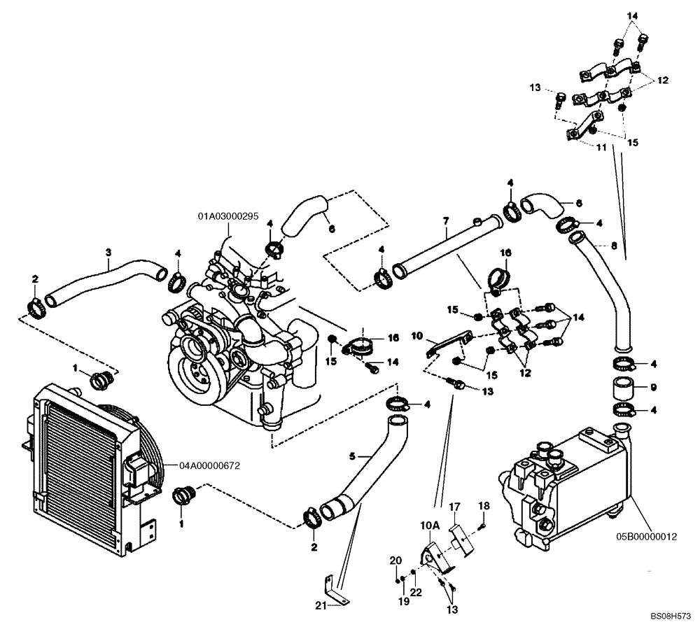
Запчасти Case 330B (04A01040673[001]) - ENGINE COOLING SYSTEM (87556612) (01) - ENGINE

Схема запчастей Case 330B - (04A01040673[001]) - ENGINE COOLING SYSTEM (87556612) (01) - ENGINE
15
5
22
4
15
4
21
4
18
19
6
17
8
4
12
14
13
10a
20
05b0000012
10
13
4
15
16
11
1
7
12
6
4
4
14
01a03000295
4
2
2
14
04a00000672
3
16
9
15
1
13
FIT
1:1
100%

Артикул

Название

Примечание

Количество

1

8900186148

CONNECTION

2шт.

2

8900192752

COLLAR

2шт.

3

89500421302

RADIATOR HOSE,328.90

Replaces 89500415259, Upper

1шт.

4

89500418430

HOSE CLAMP

8шт.

5

89500415260

HOSE,57.00 mm ID, 80.00 mm ID x 568.00 mm

1шт.

6

89500300744

HOSE

1-2шт.

7

89500416153

PIPE

1шт.

8

89500416154

PIPE

1шт.

9

89504000022

ELBOW

1шт.

10

89500417290

BRACKET

If Used

1шт.

10a

89500431189

BRACKET

If Used

1шт.

11

89500417289

BRACKET

1шт.

12

8900173679

BRACKET

Qty Was 4

2-4шт.

13

8900121098

BOLT,M8 x 16mm

M8 x 16; Qty Was 2

2-3шт.

14

8900115555

BOLT,M8 x 30mm

M8 x 30; Qty Was 6

3-6шт.

15

8900140590

NUT

M8; Qty Was 5

5-6шт.

16

8917317590

COLLAR

Qty Was 1

1-2шт.

17

89500431190

BRACKET

If Used

1шт.

18

8916593024

BOLT

M10 x 90; If Used

1шт.

19

8917090374

WASHER

Bevel; If Used

1шт.

20

8900124670

NUT

If Used

1шт.

21

89500408061

BRACKET

If Used

1шт.

22

8900030874

COPPER SEAL

If Used

4шт.

Выбрано товаров: 0