Запчасти Case 335 (51B00000026[001]) - SEAT WITH PNUEMATIC SUSPENSION (90) - PLATFORM, CAB, BODYWORK AND DECALS

Схема запчастей Case 335 - (51B00000026[001]) - SEAT WITH PNUEMATIC SUSPENSION (90) - PLATFORM, CAB, BODYWORK AND DECALS
10
3
7
2
12
14
9
8
15
11
6
4
16
13
1
5
FIT
1:1
100%

Артикул

Название

Примечание

Количество

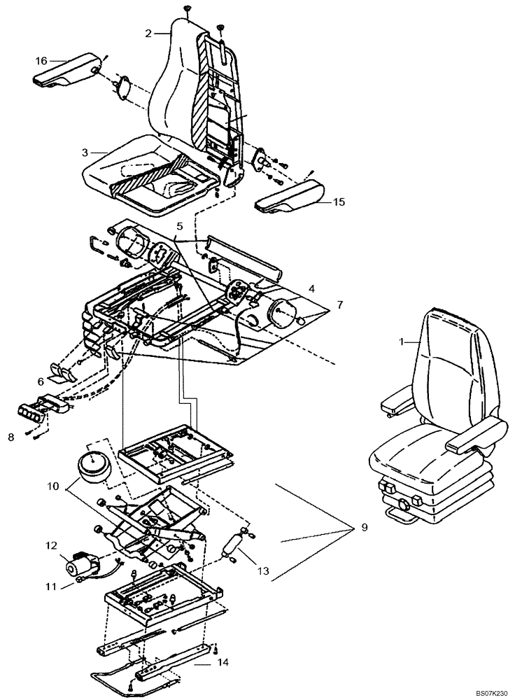
1

8900195165

DRIVER SEAT

PNEUMATIC

1шт.

2

8900127722

SEAT CUSHION

1шт.

3

8900127723

SEAT CUSHION

1шт.

4

8900127724

COVER

1шт.

5

8900127725

COVER

1шт.

6

8900127726

COVER

1шт.

7

8900127727

COVER

1шт.

8

8900127734

ECU

1шт.

9

8900127728

SUPPORT

1шт.

10

8900127729

SUSPENSION

1шт.

11

8900127730

WIRE HARNESS

1шт.

12

8900127731

SMALL ELECTRIC MOTOR

1шт.

13

8900127732

SHOCK ABSORBER

1шт.

14

8900127733

SCREW

1шт.

15

8900127743

ARMREST

LH; If Used; Include(s) Pivot Bracket And Mounting Hardware

1шт.

16

8900127744

ARMREST

RH; If Used; Includes(s) Pivot Bracket And Mounting Hardware

1шт.

Выбрано товаров: 16