Запчасти Case 335 (33X00000001[001]) - BRAKE COMPONENTS (8900170681) TIER 2 (33) - BRAKES & CONTROLS

Схема запчастей Case 335 - (33X00000001[001]) - BRAKE COMPONENTS (8900170681) TIER 2 (33) - BRAKES & CONTROLS
10
4
1
3
10
11
2
10
5
11
7
10
11
8
11
11
11
7
9
11
10
FIT
1:1
100%

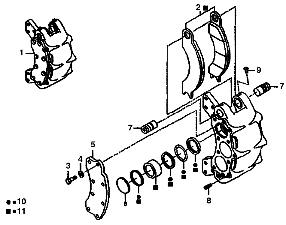
Артикул

Название

Примечание

Количество

1

8900170681

BRAKE ASSY.

1шт.

2

8900116638

BRAKE PAD

1шт.

3

8900112769

BOLT

8шт.

4

8900112770

WASHER

8шт.

5

8900116639

COVER ASSY

1шт.

6

8900112772

PLUG

3шт.

7

8900112773

PIN

4шт.

8

8900112775

HYDRAULIC VALVE

2шт.

9

8900116637

BOLT

4шт.

10

8900112777

SEAL KIT

Replaces 8900116640 Seal Kit

1шт.

11

8900116641

REPAIR KIT

1шт.

Выбрано товаров: 11