Качественные детали и логистика
Оригинальные и аналоговые запчасти с доставкой по России, Казахстану и Беларуси
©2022 PartSell ООО "Система" ИНН 2463123282 ОГРН 1212400004838
Центральный офис: г. Красноярск, Академика Киренского, д.87, пом.4
Телефон: 8 (800) 777-65-74 Email: zakaz@partsell.ru
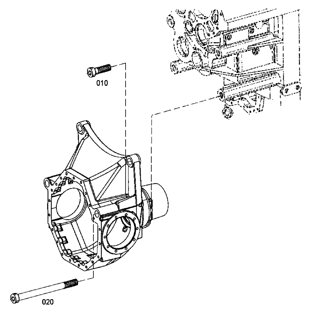
(18A00000602[001]) - DIFFERENTIAL CARRIER - CONNECTION PART
№
Артикул
Название
Примечание
Количество
010
87454066
HEX SOC SCREW,M30 x 95mm
M30 x 95
2шт.
020
87454067
HEX SOC SCREW,M30 x 300mm
M30 x 300
Выбрано товаров: 0