Запчасти Case 335B (24A00000796[001]) - BREATHER, DRIVESHAFT (P.I.N. HHD0335BN8PG58147 AND AFTER) (84238729) (03) - Converter / Transmission

Схема запчастей Case 335B - (24A00000796[001]) - BREATHER, DRIVESHAFT (P.I.N. HHD0335BN8PG58147 AND AFTER) (84238729) (03) - Converter / Transmission
1
10
6
9
5
3
4
7
8
2
4
11
FIT
1:1
100%

Артикул

Название

Примечание

Количество

REF

INSTRUCTION

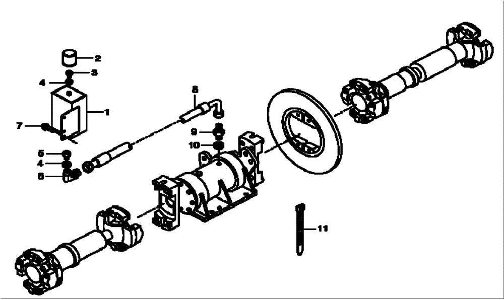
Breather, Driveshaft (84238729), Start Serial: 58147

1шт.

1

89500418735

SEPARATOR

1шт.

2

89500420667

BREATHER

1шт.

3

89500420669

REDUCER FITTING

1шт.

4

99489019

SEALING WASHER

2шт.

5

8916500715

HYD CONNECTOR

1шт.

6

89500402962

90 ELBOW

1шт.

7

8916597424

BOLT

2шт.

8

89500415567

HOSE ASSY.

1шт.

9

8900141350

HYD CONNECTOR

1шт.

10

8900115474

COPPER SEAL

1шт.

11

8900150511

COLLAR

1шт.

Выбрано товаров: 0