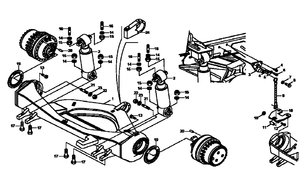
Запчасти Case 335B (38A00000727[001]) - SUSPENSION, FRONT (P.I.N. HHD0335BN8PG58147 AND AFTER) (84236898) (09) - Implement / Hydraulics / Frame / Brakes

Схема запчастей Case 335B - (38A00000727[001]) - SUSPENSION, FRONT (P.I.N. HHD0335BN8PG58147 AND AFTER) (84236898) (09) - Implement / Hydraulics / Frame / Brakes
10
21
13
15
17
14
1
2
18
17
4
8
9
23
11
17
14
14
6
24
4
12
22
23
16
22
16
15
15
14
15
15
16
14
21
17
15
15
14
13
14
5
20
2
19
19
7
3
16
15
20
14
FIT
1:1
100%

Артикул

Название

Примечание

Количество

REF

INSTRUCTION

Suspension, Front (84236898), Start Serial: 58147

1шт.

1

89500435375

FORK

Includes Ref 24

1шт.

2

89500431196

CYLINDER,Double Acting, 100mm Rod, 120mm Stroke

2шт.

3

8900107798

SUPPORT

2шт.

4

8900135062

SCREW,M14 x 40mm

4шт.

5

8900102292

SPRING WASHER

2шт.

6

8916695924

BOLT,M14 x 50mm

2шт.

7

8900107799

COLLAR

2шт.

8

8916681535

BOLT

2шт.

9

8900172819

METAL ROPE

2шт.

10

8900125788

LOCK NUT

2шт.

11

89500401240

SPACER

2шт.

12

8900100885

BOLT

2шт.

13

89500423524

BOLT

28шт.

14

8917093274

WASHER

8шт.

15

8917156531

NUT

8шт.

16

89500402625

STUD

4шт.

17

89500421948

BOLT

4шт.

18

89500421315

BRACKET

2шт.

19

89500423100

PLATE

2шт.

20

87454832

PIN

4шт.

21

89500428841

STUD

8шт.

22

8900056626

NUT

8шт.

23

8900140505

COLLAR

8шт.

24

NSS

NOT SOLD SEPARAT

Eye, Weldment is part of Ref 1 - Fork

1шт.

Выбрано товаров: 25