Запчасти Case 335B (38A00020675[001]) - CYLINDERS, FRONT SUSPENSION (87672320) (09) - Implement / Hydraulics / Frame / Brakes

Схема запчастей Case 335B - (38A00020675[001]) - CYLINDERS, FRONT SUSPENSION (87672320) (09) - Implement / Hydraulics / Frame / Brakes
16
14
14
6
16
10
17
19
15
21
1
15
22
19
14
23
16
20
14
14
23
15
adt35
22
15
14
14
30a00000059
3
15
adt40
2
3
2
8
15
21
4
15
12
30a00000059
13
20
5
adt35
adt40
14
11
17
13
17
36a00001001
18
16
15
7
9
30a00000058
30a00000058
17
FIT
1:1
100%

Артикул

Название

Примечание

Количество

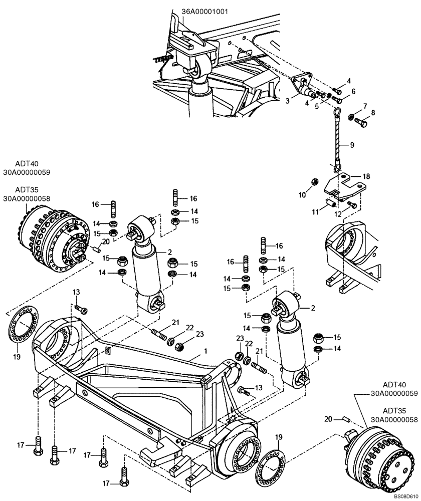
1

89500423526

FRAME

1шт.

2

89500431196

CYLINDER,Double Acting, 100mm Rod, 120mm Stroke

Replaces 89500415397 Cylinder Assy

2шт.

REF

INSTRUCTION

See Figure 38D00000018 For Service Breakdown

1шт.

3

8900107798

SUPPORT

2шт.

4

8900135062

SCREW,M14 x 40mm

M14 x 40

4шт.

5

8900102292

SPRING WASHER

2шт.

6

8916695924

BOLT,M14 x 50mm

M14 x 50

2шт.

7

8900107799

COLLAR

2шт.

8

8916681535

BOLT

M14 x 110

2шт.

9

8900172819

METAL ROPE

2шт.

10

8900125788

LOCK NUT

M20

2шт.

11

89500401240

SPACER

2шт.

12

8900100885

BOLT

M20 x 110

2шт.

13

89500423524

BOLT

M20 x 1.5 x 130; Qty 36 For Model 335B Only

36шт.

14

8917093274

WASHER

8шт.

15

8917156531

NUT

M24 x 2

8шт.

16

89500402625

STUD

M24 x 2 x 80

4шт.

17

89500421948

BOLT

4шт.

18

89500421315

BRACKET

2шт.

19

89500423100

PLATE

2шт.

20

87454832

PIN

Replaces 8900133597 Pin

4шт.

21

89500428841

STUD

For Model 340B Only; If Used

8шт.

22

8900055157

WASHER

Replaces; 8900140507 Collar

8шт.

REF

INSTRUCTION

For Model 340B Only; If Used

1шт.

23

8900151937

NUT

For Model 340B Only; If Used

8шт.

Выбрано товаров: 25