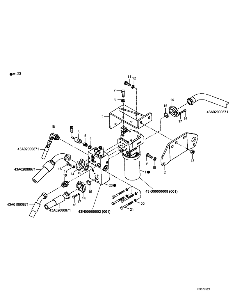
Запчасти Case 335B (43A00000872[001]) - MOUNTING, HOSE / HYDRAULIC STEERING FILTER (87601431) (09) - Implement / Hydraulics / Frame / Brakes

Схема запчастей Case 335B - (43A00000872[001]) - MOUNTING, HOSE / HYDRAULIC STEERING FILTER (87601431) (09) - Implement / Hydraulics / Frame / Brakes
5
14
16
19
11
17
43k00000008 (001)
9
16
16
43a01000871
8
12
23
21
13
6
43n00000002 (001)
22
17
15
43a02000871
43a02000871
20
10
17
43a02000871
2
43a02000871
14
4
18
1
15
3
15
7
14
FIT
1:1
100%

Артикул

Название

Примечание

Количество

1

REF

INSTRUCTION

ASSY; Not Serviced Separately

1шт.

2

89500417389

PLATE

1шт.

3

89500417390

SUPPORT

1шт.

4

89500413896

SEALING WASHER

1шт.

5

89500408623

ADAPTER

1шт.

6

89500409101

SWITCH

1шт.

7

8916629734

BOLT,M12 x 25mm

M20 x 25

4шт.

8

8900140473

WASHER

4шт.

9

8900116825

BOLT

M16 x 40

4шт.

10

8900110597

WASHER

2шт.

11

8900102200

BOLT,M14 x 40mm

M14 x 40

4шт.

12

8900141457

COLLAR

2шт.

13

8900124155

NUT

2шт.

14

8900191133

FLANGE

6шт.

15

8917289480

O-RING

SEALRING

3шт.

16

8900125707

BOLT,M10 x 30mm

M10 x 30

12шт.

17

8900001049

LOCK WASHER

12шт.

18

89500413880

HYD CONNECTOR

1шт.

19

89500406117

HYD CONNECTOR

M10 x 30

1шт.

20

8998340959

VALVE

VALVE, ASSY; Replaces NSS 8900134883 Valve Assy

1шт.

21

8900134882

SCREW,M10 x 90mm

4шт.

22

8900134881

COLLAR

4шт.

23

89500418578

FILTER ASSY

VALVE ASSY.; See Separate Pages For Serviceable Items

1шт.

Include(s) 1, 20

1шт.

Выбрано товаров: 24