Запчасти Case 335B (67A01001689[001]) - WIRE HARNESSES, GEARBOX / MONITOR / FLEET LINK (87542494) (13) - Electrical System / Decals

Схема запчастей Case 335B - (67A01001689[001]) - WIRE HARNESSES, GEARBOX / MONITOR / FLEET LINK (87542494) (13) - Electrical System / Decals
3
2
6
10
4
4
1
2
9
8
4
11
5
3
12
7
3
13
FIT
1:1
100%

Артикул

Название

Примечание

Количество

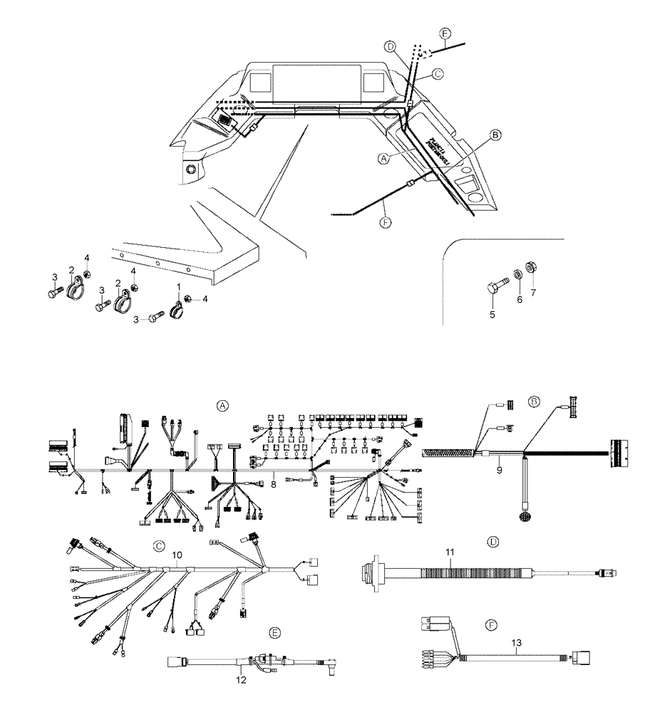
1

8900106732

COLLAR

1шт.

2

8900105517

COLLAR

2шт.

3

8900124628

BOLT

3шт.

4

8900125009

NUT

3шт.

5

8900125013

SCREW,M3 x 16mm

2шт.

6

8900127601

LOCK WASHER

2шт.

7

8900009278

NUT

2шт.

8

89500415440

WIRE HARNESS

Cab

1шт.

9

89500408930

WIRE HARNESS

Transmission Cab (Bulkhead Connector - 1 Yellow)

1шт.

10

8900192867

WIRE HARNESS

Ceiling Cab

1шт.

11

89500408935

WIRE HARNESS

Monitor Cab

1шт.

12

89500403276

WIRE HARNESS

Input Monitor

1шт.

13

89500405070

WIRE HARNESS

Input Fleet Link

1шт.

Выбрано товаров: 0