Запчасти Case 335B (67A02021463[001]) - INSTALL, GROUND CIRCUIT (SIMPLE MUX P.I.N. HHD0335BN8PG58100 AND AFTER) (87746035) (13) - Electrical System / Decals

Схема запчастей Case 335B - (67A02021463[001]) - INSTALL, GROUND CIRCUIT (SIMPLE MUX P.I.N. HHD0335BN8PG58100 AND AFTER) (87746035) (13) - Electrical System / Decals
2
4
12
14
2
5
13
4
1
22
21
4
4
3
20
23
5
19
6
6
7
6
15
5
11
4
10
8
4
9
18
5
67a00011454
16
17
FIT
1:1
100%

Артикул

Название

Примечание

Количество

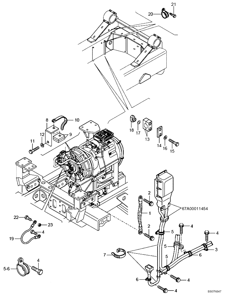
1

8900189059

CABLE

1шт.

2

8900121586

SCREW,M12 x 25mm

M12 x 25

2шт.

3

8900106732

COLLAR

STRAP BAND

2шт.

4

8900121098

BOLT,M8 x 16mm

M8 x 16

23шт.

5

8900163658

COLLAR

STRAP BAND

10шт.

6

8900105517

COLLAR

STRAP BAND

11шт.

7

8900045763

STRAP

STRAP BAND

1шт.

8

8900174917

SUPPORT

3шт.

9

8900150391

PAD

6шт.

10

8900150511

COLLAR

STRAP BAND

3шт.

11

8900006132

BOLT,M16 x 1.5 x 35mm

M16 x 1.5 x 35

3шт.

12

8917095714

COLLAR

3шт.

13

89500408035

COLLAR

4шт.

14

89500407425

PLATE

2шт.

15

8900012143

BOLT,M6 x 55mm

M6 x 55

4шт.

16

8900955275

LOCK WASHER

4шт.

17

89500407418

GASKET

4шт.

18

8900108842

NUT

4шт.

19

89500401259

CABLE

GROUND

1шт.

20

8900049243

COLLAR

STRAP BAND

2шт.

21

8900121098

BOLT,M8 x 16mm

M8 x 16

2шт.

22

8900115555

BOLT,M8 x 30mm

M8 x 30

2шт.

23

8900115122

NUT

S.L.

2шт.

Выбрано товаров: 23