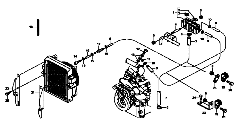
Запчасти Case 335B (04A00000730[001]) - RADIATOR LINES, COOLING - RADIATOR / ENGINE / RESERVOIR (P.I.N HHD0335BN8PG58147 AND AFTER) (84236451) (01) - ENGINE

Схема запчастей Case 335B - (04A00000730[001]) - RADIATOR LINES, COOLING - RADIATOR / ENGINE / RESERVOIR (P.I.N HHD0335BN8PG58147 AND AFTER) (84236451) (01) - ENGINE
19
16
18
13
2
22
20
5
20
9
15
10
23
5
6
7
10
5
8
24
7
20
3
19
10
9
5
17
11
1
4
8
6
10
25
12
14
21
15
FIT
1:1
100%

Артикул

Название

Примечание

Количество

1

8900152343

RESERVOIR, COOLANT E

Includes (2,3), Start Serial: 58147

1шт.

2

8900112131

RADIATOR CAP

1шт.

3

8900112130

RADIATOR CAP

1шт.

4

8900174439

INSULATOR BLOCK

4шт.

5

8900140590

NUT

M8

10шт.

6

8900110494

COLLAR

2шт.

7

8900163778

AIR HOSE

2750mm

1шт.

8

8900172587

HOSE

1900mm

1шт.

9

8900165281

HOSE

1650mm

1шт.

10

8900192755

COLLAR

4шт.

11

8900957443

HYD CONNECTOR

1шт.

12

8900955155

BANJO BOLT

1шт.

13

8900030874

COPPER SEAL

2шт.

14

8900192756

BREATHER

1шт.

15

8900192754

COLLAR

2шт.

16

8900192758

HOSE

1шт.

17

8900192759

FITTING

1шт.

18

8900150511

COLLAR

1шт.

19

8917317590

COLLAR

2шт.

20

8900116549

BOLT

M8 X 20

4шт.

21

89500426117

SHIELD

Left Hand

1шт.

22

89500426129

SHIELD

Right Hand

1шт.

23

89500408061

BRACKET

1шт.

24

8900115555

BOLT,M8 x 30mm

1шт.

25

89500408953

SUPPORT

1шт.

Выбрано товаров: 25