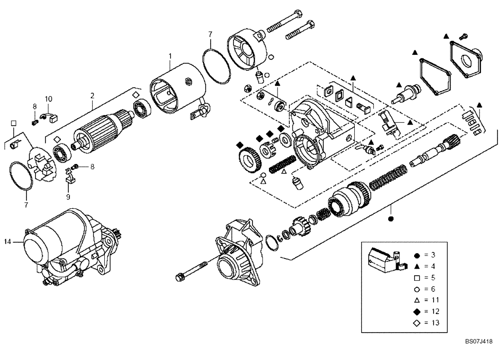
Запчасти Case 340 (01A02000165[002]) - ENGINE - STATER ASSY- REPAIR (99486046) (01) - ENGINE

Схема запчастей Case 340 - (01A02000165[002]) - ENGINE - STATER ASSY- REPAIR (99486046) (01) - ENGINE
2
10
8
1
14
8
9
7
7
FIT
1:1
100%

Артикул

Название

Примечание

Количество

REF

INSTRUCTION

STARTER (99486046)

1шт.

1

42471438

STATOR

1шт.

2

42471439

ARMATURE

1шт.

3

42471440

KIT, STARTER MTR REP

1шт.

4

42471441

KIT, STARTER MTR REP

1шт.

5

42471442

KIT, STARTER MTR REP

1шт.

6

42471443

HOUSING

1шт.

7

42471444

O-RING

2шт.

8

42471445

SCREW

4шт.

9

42471446

BRUSH, COMMUTATOR

BRUSH

2шт.

10

42471447

BRUSH, COMMUTATOR

BRUSH

2шт.

11

42471378

KIT, STARTER MTR REP

1шт.

12

42471450

KIT, STARTER MTR REP

1шт.

13

42471451

KIT, STARTER MTR REP

1шт.

Выбрано товаров: 14