Запчасти Case 845 (09.13[00]) - RIPPER - ASSEMBLY (09) - CHASSIS

Схема запчастей Case 845 - (09.13[00]) - RIPPER - ASSEMBLY (09) - CHASSIS
9
21
17
7
18
4
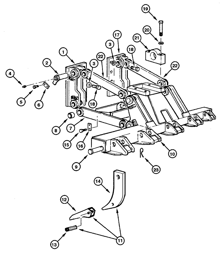
1
12
14
20
16
22
18
19
15
2
13
3
5
22
23
10
6
8
11
3
FIT
1:1
100%

Артикул

Название

Примечание

Количество

1

73162607

SUPPORT

LH

1шт.

2

75216516

PIN,49.99mm OD x 202.5mm L

8шт.

3

70928370

WASHER,1.06" ID x 2.25" OD x 0.25" Thk

12шт.

4

13407211

LUBE NIPPLE,M10 x 1

9шт.

5

15540331

BOLT,Hex, M12 x 1.25 x 25mm, Cl 10.9, Full Thd

16шт.

6

75216512

LOCK

8шт.

7

73162588

FRAME

1шт.

8

75216487

BUSHING,50.2mm ID x 60.1mm OD x 43mm L

16шт.

9

73162855

PIN,25.4mm OD x 95mm L

8шт.

10

73162840

SUPPORT

tool bar

1шт.

11

73162856

SHANK

tooth ripper

5шт.

12

75251673

RIPPER TOOTH

1шт.

13

75251674

ROLL PIN

1шт.

14

75251676

SHANK

1шт.

15

14254231

LOCK BOLT,Hex, M14 x 1.5 x 25mm, Cl 10.9, Full Thd

2шт.

16

8270126

PLATE

2шт.

17

73162606

SUPPORT

1шт.

18

15997231

BOLT,Hex, M24 x 2 x 65mm, Cl 10.9, Full Thd

12шт.

19

15861731

BOLT,Hex, M24 x 2 x 130mm, Cl 10.9

4шт.

20

10517679

LOCK WASHER,24.3mm ID x 38.3mm OD x 5.5mm Thk

4шт.

21

75251690

SUPPORT

2шт.

22

73162584

LEVER

2шт.

23

8287007

LOCK PIN,11.8mm x 94.6mm L

5шт.

Выбрано товаров: 23