Запчасти Case 845 (05.01[00]) - STEERING COLUMN - ASSEMBLY (05) - STEERING

Схема запчастей Case 845 - (05.01[00]) - STEERING COLUMN - ASSEMBLY (05) - STEERING
18
36
11
3
14
6
24
14
3
12
33
14
35
2
4
19
10
5
4
1
34
4
31
8
22
15
3
4
30
7
3
28
32
21
15
9
20
16
17
28
23
29
25
20
15
27
FIT
1:1
100%

Артикул

Название

Примечание

Количество

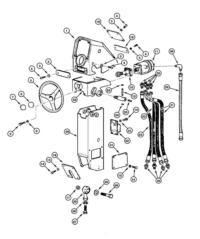
1

75251842

SUPPORT

1шт.

2

75252211

COVER

1шт.

3

85801991

WASHER,6.3mm OD x 18mm ID x 4mm Thk

10шт.

4

13301717

SCREW,Pozidriv Flat Hd, Csk, M6 x 25mm, Cl 5.8

10шт.

5

L128095

WHEEL (STEERING)

1шт.

6

1342054C1

PLASTIC PLUG

1шт.

7

384985A1

CAP

1шт.

8

70677006

WASHER,10.31mm ID x 22.23mm OD x 4.76mm Thk

4шт.

9

70920995

SCREW

4шт.

10

75280694

STEERING COLUMN

1шт.

11

75257538

HYDRAULIC VALVE

See Figure 05.02(00)

1шт.

12

73121497

SHAFT

1шт.

13

73121498

SHAFT

1шт.

14

10902031

BOLT,Hex, M6 x 12mm, Cl 10.9

16шт.

15

14496431

WASHER,6.4mm ID x 12.5mm OD x 1.6mm Thk

16шт.

16

75251765

COVER

1шт.

17

70911029

NUT

2шт.

18

75252213

COVER

1шт.

19

75252212

COVER

1шт.

20

70921409

HYD CONNECTOR

8шт.

21

73126193

FLEXIBLE HOSE

2шт.

22

75237612

FLEXIBLE HOSE

1шт.

23

75221601

FLEXIBLE HOSE

1шт.

24

70935211

RING

2шт.

25

73129094

SCREW

1шт.

26

70921403

SCREW

2шт.

27

70921476

SCREW

2шт.

28

70916195

WASHER

4шт.

29

73125851

EYE,5/8" - 18

2шт.

30

70927381

WASHER,0.66" ID x 1.12" OD x 0.1" Thk

9шт.

31

73126185

PLATE

2шт.

32

75251222

COVER

1шт.

33

75250143

SUPPORT

Bracket

1шт.

34

75252072

SUPPORT

Bracket

1шт.

35

75257333

HOSE,6.5mm ID x 970mm L, SAE 100R2

1шт.

36

70922571

ELBOW

1шт.

Выбрано товаров: 36