Запчасти Case 845 (04.14[00]) - ELECTRIC SYSTEM - TRANSMISSION (04) - ELECTRICAL SYSTEMS

Схема запчастей Case 845 - (04.14[00]) - ELECTRIC SYSTEM - TRANSMISSION (04) - ELECTRICAL SYSTEMS
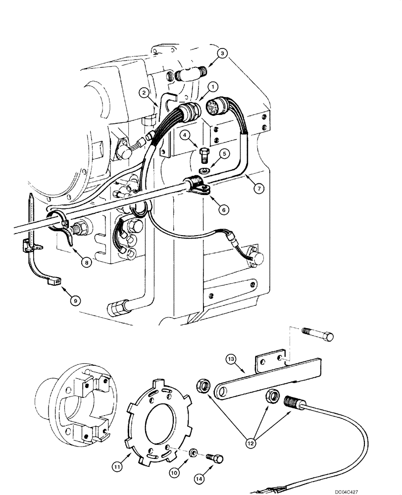
9
11
2
13
1
4
8
3
12
14
10
6
5
7
FIT
1:1
100%

Артикул

Название

Примечание

Количество

1

75289646

ELECTRIC CABLE

Transmission

1шт.

2

75287758

SUPPORT

1шт.

3

70924026

ELBOW

1шт.

4

16043231

SCREW,Hex, M8 x 16mm, Cl 10.9, Full Thd

1шт.

5

14496531

WASHER,8.4mm ID x 17mm OD x 1.6mm Thk

1шт.

6

70925621

COLLAR

1шт.

7

75326325

WIRE

Transmission

1шт.

8

75201641

CLAMP

4шт.

9

75284071

CLAMP

5шт.

10

70912441

LOCK WASHER

4шт.

11

75281055

PLATE

1шт.

12

75252215

SENSOR

1шт.

13

75252216

SUPPORT

1шт.

14

70927353

SCREW

4шт.

Выбрано товаров: 0