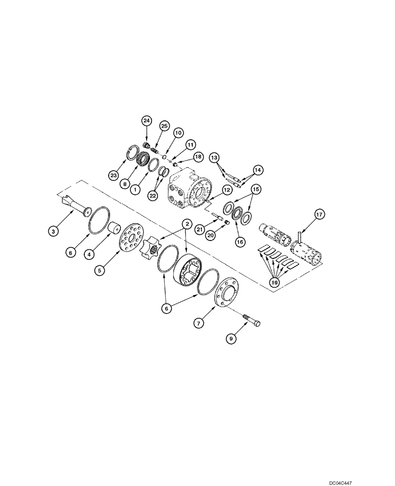
Запчасти Case 845 (05.04[00]) - STEERING HYDRAULIC - ASSEMBLY (05) - STEERING

Схема запчастей Case 845 - (05.04[00]) - STEERING HYDRAULIC - ASSEMBLY (05) - STEERING
5
14
6
6
21
20
25
16
22
15
13
7
18
8
11
3
12
9
17
24
1
10
19
4
2
23
FIT
1:1
100%

Артикул

Название

Примечание

Количество

75257538

HYDRAULIC VALVE

Incl. 1 - 25

1шт.

1

71100216

O-RING,0.139" Thk x 1.859" ID, -225, Cl 5, 75 Duro

1шт.

2

71100217

ROTOR

1шт.

3

71100218

SHAFT

1шт.

4

71100219

SPACER

1шт.

5

71100220

DISC

1шт.

6

71100221

O-RING,0.07" Thk x 2.864" ID, -40, Cl 6, 90 Duro

3шт.

7

71100222

COVER

1шт.

8

71100223

SEAL

1шт.

9

71100224

SCREW

7шт.

10

71100225

CUP

2шт.

11

71100226

BALL

2шт.

12

71100227

BALL

1шт.

13

71100228

BALL

2шт.

14

71100229

PIN

2шт.

15

71100230

RING

2шт.

16

71100231

BEARING

1шт.

17

71100232

PIN

1шт.

18

71100233

CUP

2шт.

19

71100234

SPRING

1шт.

20

71100235

PLUG

1шт.

21

71100236

PIN

1шт.

22

71100237

SEAL

1шт.

23

71100238

SNAP RING

1шт.

24

71100239

PLUG

2шт.

25

71100240

SPRING

2шт.

26

71100242

REPAIR KIT

Incl. 1, 2, 22

2шт.

27

71100243

REPAIR KIT

Incl. 5, 9

1шт.

Выбрано товаров: 28