Запчасти Case 845 (07-06[01]) - BRAKE HYDRAULIC SYSTEM (07) - BRAKES

Схема запчастей Case 845 - (07-06[01]) - BRAKE HYDRAULIC SYSTEM (07) - BRAKES
3
20
08-58
8
17
11
7
13
14
1
10
20
16
22
25
08-78
9
15
15
2
5
23
15
19
12
24
6
07-02
26
14
4
21
18
FIT
1:1
100%

Артикул

Название

Примечание

Количество

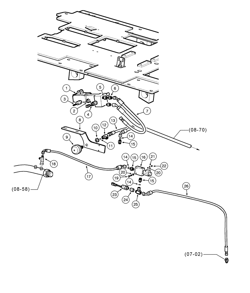
1

REF

INSTRUCTION

1шт.

Page 07-08

1шт.

2

70094334

LIGHT SWITCH

Pressure Light

1шт.

2

84228807

SENSOR

Pressure Light, Start Serial: N9AF07092

1шт.

3

75254593

PRESSURE SWITCH

1шт.

4

75254572

SWITCH

Low Pressure

1шт.

5

87747961

FITTING

1шт.

6

391859A1

VALVE, CHECK

1шт.

7

87747963

HOSE,9.53mm ID x 750mm L, SAE 100R16

1шт.

8

87747967

SUPPORT

1шт.

9

8500209

ACCUMULATOR

Hydraulic

1шт.

10

701-909

NUT,11/16" - 16

1шт.

11

238-6012

O-RING,0.07" Thk x 0.364" ID, -12, Cl 6, 90 Duro

1шт.

12

701-422

TEE,11/16" - 16 Male ORFS x 11/16" - 16 Male ORFS x 11/16" - 16 Female ORFS

1шт.

13

87747964

HOSE,9.53mm ID x 580mm L, SAE 100R16

1шт.

14

238-6011

O-RING,0.07" Thk x 0.301" ID, -11, Cl 6, 90 Duro

3шт.

15

87747968

FITTING

2шт.

16

87747168

VALVE

1шт.

17

87747965

HOSE,6.35mm ID x 900mm L, SAE 100R3

1шт.

18

218-5222

TEE,37 Degree, 9/16"-18, x 9/16"-18, Fem Sw Run

1шт.

19

84068386

BOLT,Hex, M6 x 45mm, Cl 10.9

2шт.

20

12639701

WASHER,6.15mm ID x 11mm OD x 1mm Thk

4шт.

21

10516471

LOCK WASHER

2шт.

22

829-1406

NUT,Hex, M6 x 1, Cl 10.9

2шт.

23

87683323

SWITCH

Brake

1шт.

24

87391941

ADAPTER

1шт.

25

701-434

TEE,11/16" - 16 Male ORFS x 11/16" - 16 Male ORFS x 11/16" - 16 Female ORFS

1шт.

26

87747966

HOSE,6.35mm ID x 3000mm L, SAE 100R16

1шт.

Выбрано товаров: 28