Запчасти Case 845 DHP (02.02[00]) - RADIATOR - MOUNTING (02) - ENGINE

Схема запчастей Case 845 DHP - (02.02[00]) - RADIATOR - MOUNTING (02) - ENGINE
19
2
25
4
1
14
1
22
23
6
12
20
16
10
13
2
15
24
1
11
1
3
7
2
21
7
18
26
28
2
1
8
17
2
9
7
23
27
5
FIT
1:1
100%

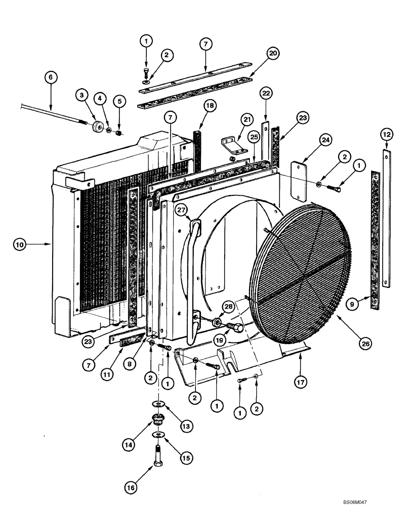
Артикул

Название

Примечание

Количество

1

16043431

SCREW,Hex, M8 x 1.25 x 20mm, Cl 10.9, Full Thd

25шт.

2

12646704

WASHER,8.15mm ID x 20mm OD x 2mm Thk

27шт.

3

741569

INSULATOR BLOCK

2шт.

4

75223893

WASHER,12.5mm ID x 43mm OD x 3mm Thk

4шт.

5

11702921

NUT,M12, Cl 10

4шт.

6

73164367

ROD

1шт.

7

73164430

PLATE

3шт.

8

75327071

DEFLECTOR

Shroud

1шт.

9

73164428

HOSE

1шт.

10

73164343

RADIATOR

1шт.

11

73164427

HOSE,50mm W x 930mm L

1шт.

12

75325236

PLATE

2шт.

13

75254313

WASHER,16.5mm ID x 58mm OD x 4.76mm Thk

2шт.

14

76022229

INSULATOR BLOCK

2шт.

15

10517271

LOCK WASHER,16.2mm ID x 27.7mm OD x 4mm Thk

2шт.

16

15981231

BOLT,Hex, M16 x 1.5 x 65mm, Cl 10.9

2шт.

17

75324589

COVER

1шт.

18

73164432

SEALING STRIP,25mm W x 780mm L x 25mm Thk

1шт.

19

11106231

BOLT,Hex, M10 x 1.5 x 25mm, Cl 10.9

4шт.

20

75260375

HOSE,50mm W x 930mm L

1шт.

21

73164364

PLATE

1шт.

22

73164431

PLATE

3шт.

23

73164425

HOSE,45mm W x 781mm L

2шт.

24

75324619

COVER

1шт.

25

75325390

PROTECTION STRIP

1шт.

26

87539879

GRILLE

1шт.

27

75325980

PLATE

Handle LH

1шт.

27

75325998

HANDRAIL

Handle RH

2шт.

28

12646821

WASHER,10.2mm ID x 25mm OD x 2mm Thk

4шт.

Выбрано товаров: 29