Запчасти Case 865 (07.04[00]) - TRANSMISSION CALIPER (07) - BRAKES

Схема запчастей Case 865 - (07.04[00]) - TRANSMISSION CALIPER (07) - BRAKES
10
3
12
11
2
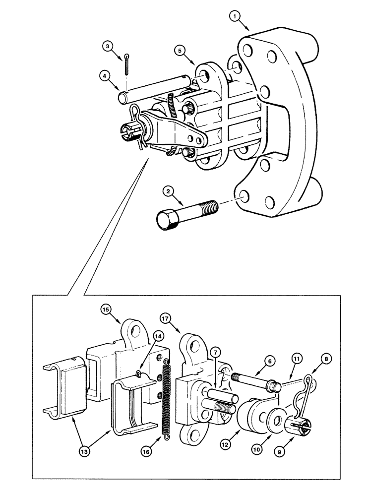
1
13
16
8
5
4
9
6
17
7
14
15
FIT
1:1
100%

Артикул

Название

Примечание

Количество

1

75288445

SUPPORT

1шт.

2

75289472

SCREW

4шт.

3

75289474

PIN

4шт.

4

75287708

DISC

2шт.

5

75288515

BRAKE

1шт.

6

75289530

SCREW

3шт.

7

75289533

PIN

2шт.

8

75289537

PIN

1шт.

9

75289536

NUT

1шт.

10

75289535

WASHER

1шт.

11

75289538

LEVER

1шт.

12

75289527

SHAFT

1шт.

13

75288446

BRAKE PAD

2шт.

14

75289532

PIN

4шт.

15

75289529

SUPPORT

1шт.

16

75289531

SPRING

2шт.

17

75289528

SUPPORT

1шт.

Выбрано товаров: 17