Запчасти Case 865 (02.03[00]) - COOLING SYSTEM (02) - ENGINE

Схема запчастей Case 865 - (02.03[00]) - COOLING SYSTEM (02) - ENGINE
12
7
2
11
4
9
10
8
11
5
16
6
6
6
7
1
18
7
1
13
17
5
15
14
3
2
2
FIT
1:1
100%

Артикул

Название

Примечание

Количество

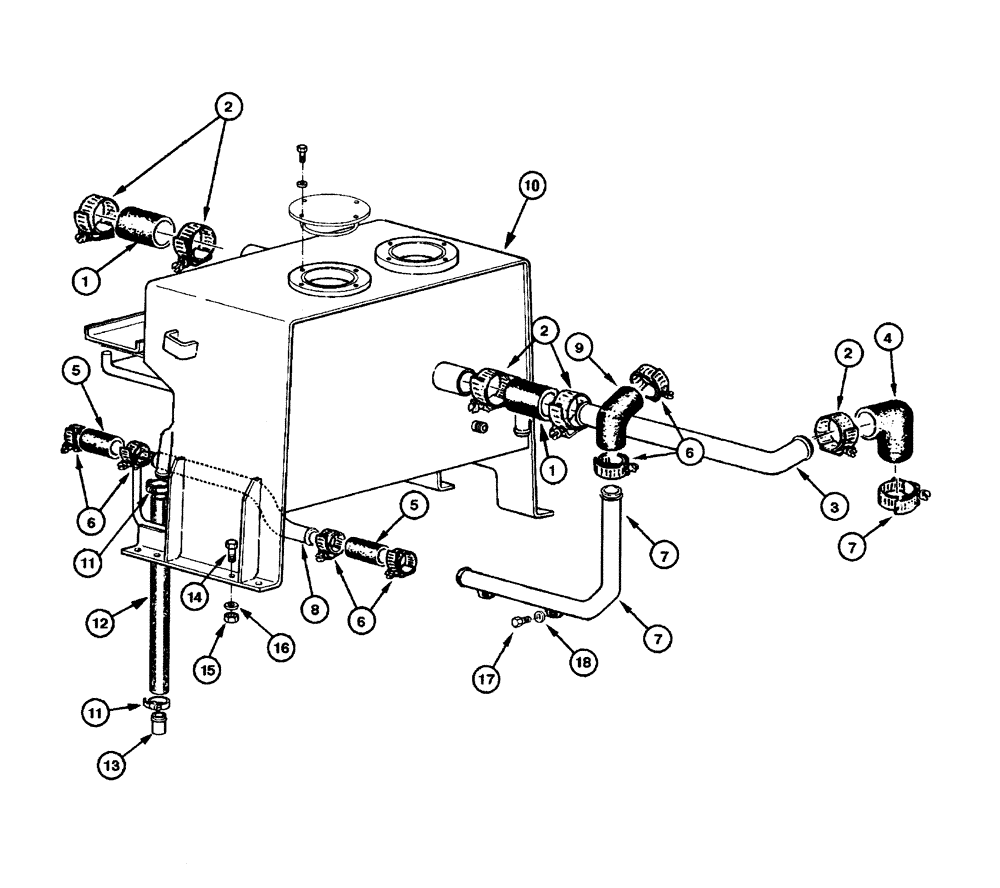
1

75252197

HOSE

2шт.

2

70921914

CLAMP

6шт.

3

76257750

TUBE

1шт.

4

75320219

RADIATOR HOSE,57.00 mm ID x 100.00 mm, SAE J 20R4-DI

1шт.

5

73116330

FLEXIBLE HOSE,38.10 mm ID x 101.60 mm, SAE 20R1

2шт.

6

70925881

CLAMP

6шт.

7

73158771

HYD TUBE,38.1 mm OD, 569, 476 mm Length

1шт.

9

73158847

ELBOW,38.1mm ID x 152mm L, SAE 20R4-D2

1шт.

10

75320686

RESERVOIR, COOLANT E

1шт.

11

70922660

CLAMP

2шт.

12

75257822

HOSE

1шт.

13

75257823

PLUG

1шт.

14

15540431

SCREW,Hex, M12 x 1.25 x 30mm, Cl 10.9, Full Thd

8шт.

15

16105011

NUT,Hex, M12 x 1.25, Cl 8

8шт.

16

70928460

WASHER

8шт.

17

16043431

SCREW,Hex, M8 x 1.25 x 20mm, Cl 10.9, Full Thd

2шт.

18

12645031

WASHER,8.45mm ID x 21mm OD x 3mm Thk

2шт.

Выбрано товаров: 17