Запчасти Case 865 (08.16[00]) - BLADE HYDRAULIC CIRCUIT - FLOAT (08) - HYDRAULICS

Схема запчастей Case 865 - (08.16[00]) - BLADE HYDRAULIC CIRCUIT - FLOAT (08) - HYDRAULICS
12
10
8
3
7
10
11
16
7
11
15
14
1
6
5
9
2
4
7
FIT
1:1
100%

Артикул

Название

Примечание

Количество

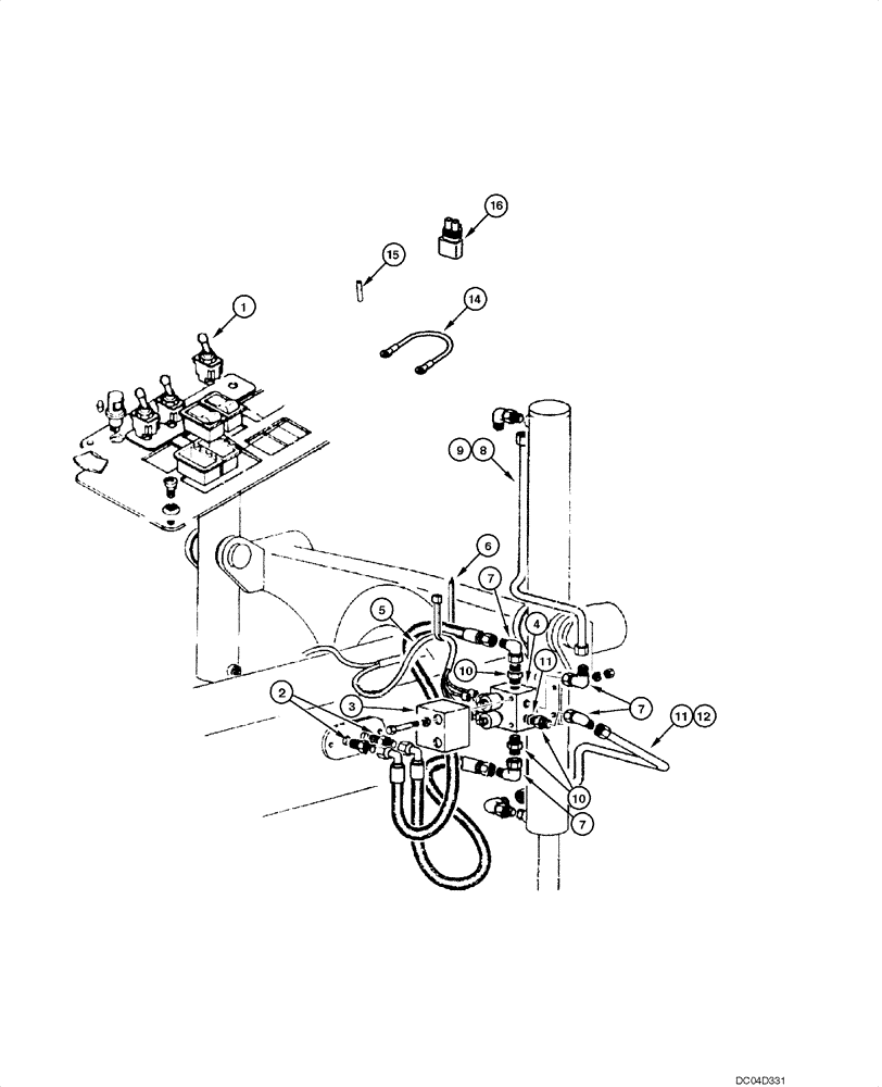
1

73125891

ASSEMBLY

2шт.

2

70927261

HYD CONNECTOR

4шт.

3

75254152

GUARD

2шт.

4

REF

INSTRUCTION

VALVE ASSY.See Figure 8.17

2шт.

5

75322558

ELECTRIC CABLE

1шт.

6

70929402

CLAMP

10шт.

7

70921279

ELBOW

8шт.

8

75254140

RIGID TUBE

1шт.

9

75254144

RIGID TUBE

1шт.

10

70921409

HYD CONNECTOR

8шт.

11

70921349

O-RING,0.087" Thk x 0.644" ID, -908, Cl 6, 90 Duro

8шт.

12

75254142

RIGID TUBE

LH

1шт.

13

75254146

RIGID TUBE

RH

1шт.

14

75322592

ELECTRIC CABLE

1шт.

15

19109687

INSULATOR

1шт.

16

75322270

ELEC CONNECTOR

VARISTOR

4шт.

Выбрано товаров: 16