Запчасти Case 865 (09.11[00]) - BLADE - MECHANISM (09) - CHASSIS

Схема запчастей Case 865 - (09.11[00]) - BLADE - MECHANISM (09) - CHASSIS
15
1
1
20
9
12
2
2
10
11
4
21
17
18
14
7
13
16
3
22
23
19
6
8
5
FIT
1:1
100%

Артикул

Название

Примечание

Количество

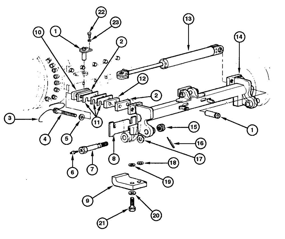
1

75252844

DOWEL

2шт.

2

75248810

SPACER

6шт.

3

75241062

WIRE

3шт.

4

75250078

BOLT,Hex, M24 x 2 x 90mm, Cl 10.9

6шт.

5

14497331

WASHER,25mm ID x 44mm OD x 4mm Thk

M24 x 44 x 4

6шт.

6

70914465

LUBE NIPPLE

2шт.

7

73162259

SCREW

2шт.

8

75248807

PLATE

2шт.

9

75243732

SUPPORT

2шт.

10

75248811

SPACER

3шт.

11

75248809

SHIM,51.5mm OD x 0.8mm Thk

15шт.

12

75248808

SPACER

3шт.

13

75250020

HYDRAULIC CYLINDER

1шт.

13

75250020R

REMAN-HYD CYLINDER

865 MOTOR GRADER - ASN 022001

1шт.

13

75250020C

CORE-HYD CYLINDER

Return Number

1шт.

14

75250080

SUPPORT

1шт.

15

70060670

NUT

2шт.

16

70901348

COTTER PIN

2шт.

17

70634237

WASHER,52.39mm ID x 82.55mm OD x 1.19mm Thk

2шт.

18

70915978

WASHER,1.03" ID x 1.62" OD x 0.03" Thk

20шт.

19

70928189

WASHER,1.06" ID x 1.75" OD x 0.09" Thk

4шт.

20

70928452

WASHER

4шт.

21

15997331

BOLT,Hex, M24 x 2 x 70mm, Cl 10.9, Full Thd

2шт.

22

11106121

BOLT,Hex, M10 x 1.5 x 22mm, Cl 8.8, Full Thd

4шт.

23

10516871

LOCK WASHER,10.2mm ID x 17.7mm OD x 2.5mm Thk

4шт.

Выбрано товаров: 25