Запчасти Case 865 (04.13[00]) - ELECTRIC SYSTEM - TRANSMISSION (04) - ELECTRICAL SYSTEMS

Схема запчастей Case 865 - (04.13[00]) - ELECTRIC SYSTEM - TRANSMISSION (04) - ELECTRICAL SYSTEMS
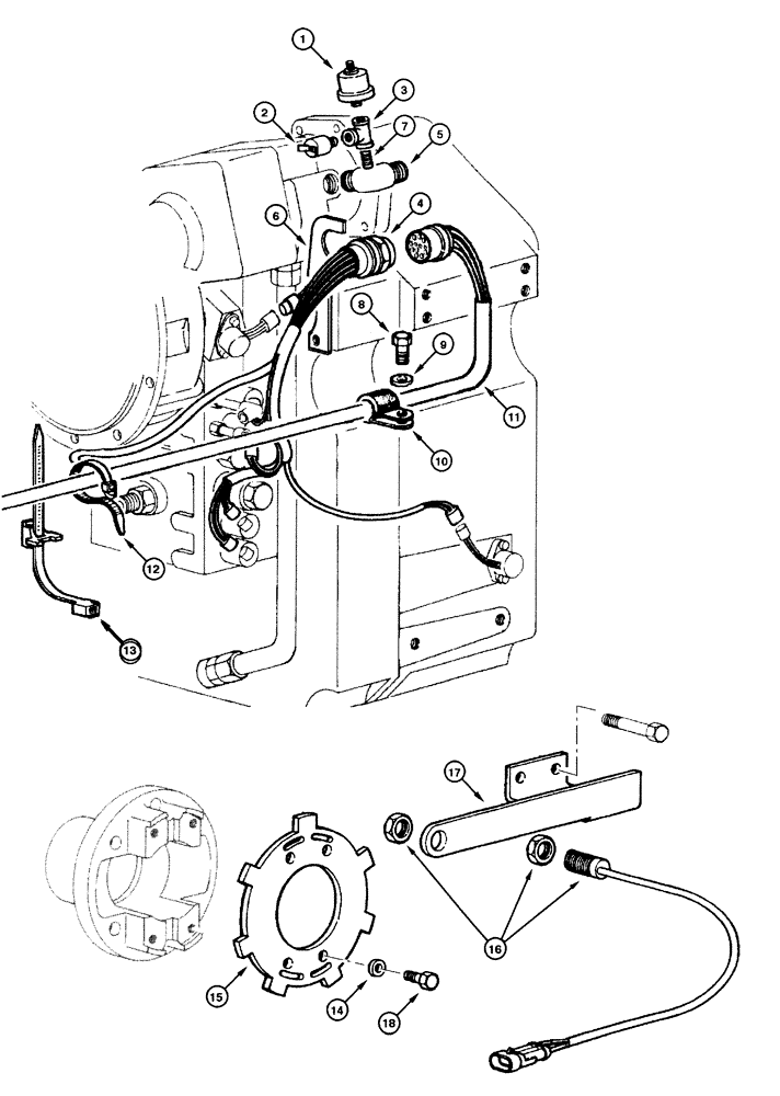
1
6
8
2
7
16
13
14
10
5
15
3
4
11
9
18
12
17
FIT
1:1
100%

Артикул

Название

Примечание

Количество

1

73159154

SENDER UNIT

TRANSMISSION OIL PRESSURE

1шт.

2

73139080

PRESSURE SWITCH

TRANSMISSION OIL PRESSURE

1шт.

3

70901702

3 WAY CONNECTION

1шт.

4

75312856

CABLE ASSY.

Transmission

1шт.

5

75255651

ELBOW

1шт.

6

75287758

SUPPORT

1шт.

7

70926037

HYD CONNECTOR

1шт.

8

16043231

SCREW,Hex, M8 x 16mm, Cl 10.9, Full Thd

1шт.

9

12638501

WASHER,8.15mm ID x 15mm OD x 1.5mm Thk

1шт.

10

70925621

COLLAR

1шт.

11

75249895

ELECTRIC CABLE

1шт.

12

75201641

CLAMP

5шт.

13

75284071

CLAMP

8шт.

14

70912441

LOCK WASHER

4шт.

15

75281055

PLATE

1шт.

16

75252215

SENSOR

1шт.

17

75252216

SUPPORT

1шт.

18

70927353

SCREW

4шт.

Выбрано товаров: 18