Запчасти Case 865 (04.28[00]) - FRONT/REAR WINDSHILD WIPER MOTOR (LOW PROFILE CAB) (04) - ELECTRICAL SYSTEMS

Схема запчастей Case 865 - (04.28[00]) - FRONT/REAR WINDSHILD WIPER MOTOR (LOW PROFILE CAB) (04) - ELECTRICAL SYSTEMS
10
7
12
1
4
5
11
13
9
3
12
6
8
10
2
11
FIT
1:1
100%

Артикул

Название

Примечание

Количество

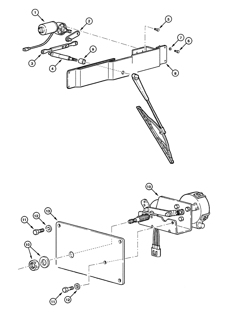
1

75311342

SMALL ELECTRIC MOTOR

front wiper

1шт.

2

75311338

LEVER

front wiper

5шт.

3

75313474

LEVER

front wiper

5шт.

4

75311345

SHAFT

front wiper

1шт.

5

75310322

SCREW

1шт.

6

75313386

BOLT

1шт.

7

75313410

WASHER

1шт.

8

75311350

COVER

front wiper

1шт.

9

75311343

SPACER

1шт.

10

75311326

SMALL ELECTRIC MOTOR

rear wiper

1шт.

11

75313386

BOLT

5шт.

12

75313410

WASHER

5шт.

13

75313471

COVER

rear wiper

1шт.

Выбрано товаров: 13