Запчасти Case 865 AWD (06-02[01]) - TRANSMISSION AND COUPLING (06) - POWER TRAIN

Схема запчастей Case 865 AWD - (06-02[01]) - TRANSMISSION AND COUPLING (06) - POWER TRAIN
6
11
4
13
2
12
1
2
10
9
7
8
5
3
14
FIT
1:1
100%

Артикул

Название

Примечание

Количество

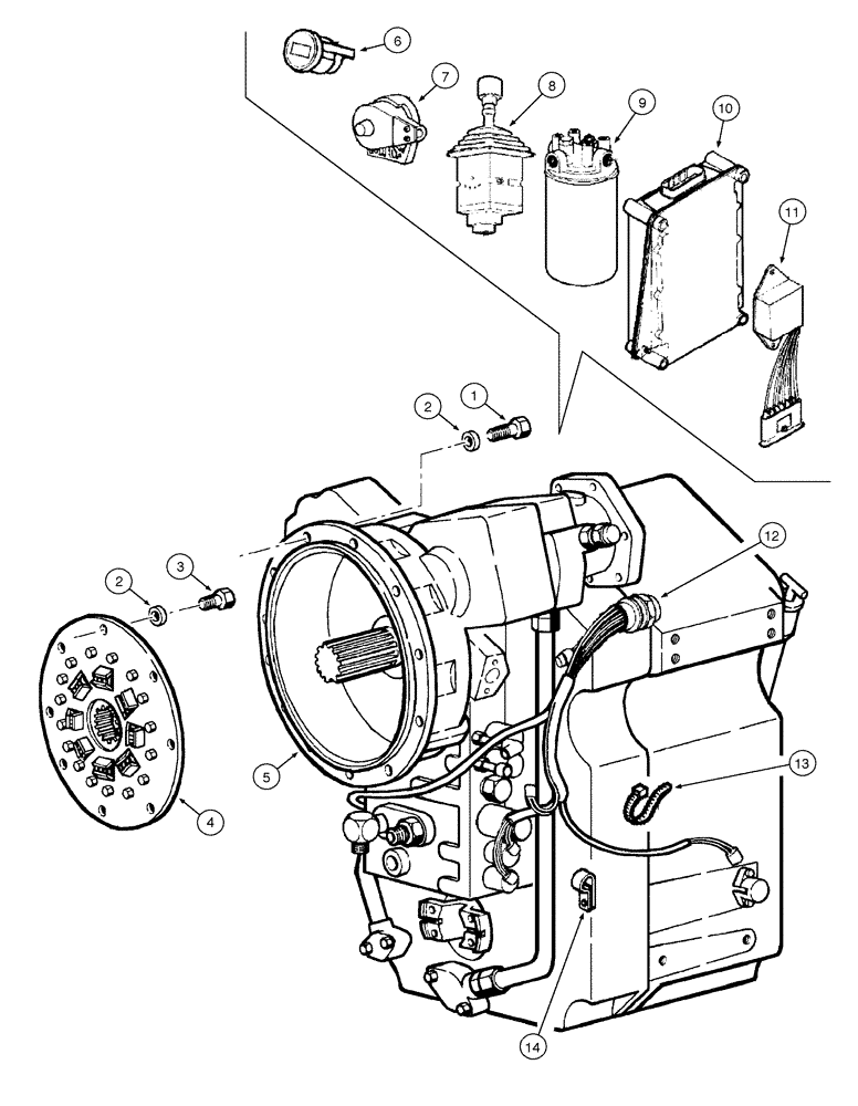
1

11106631

SCREW,Hex, M10 x 35mm, Cl 10.9, Full Thd

12шт.

2

70930370

WASHER,0.44" ID x 0.69" OD x 0.11" Thk

20шт.

3

70922262

SCREW

8шт.

4

75249578

DAMPER,352.25mm OD

1шт.

4

75249578R

REMAN-DAMPER

1шт.

4

75249578C

CORE-DAMPER

Return Number

1шт.

75253456

TRANSMISSION

Assy, Includes items 5 - 14

1шт.

75253456R

REMAN-TRANSMISSION

1шт.

75253456C

CORE-TRANSMISSION

Return Number

1шт.

5

75312853

TRANSMISSION

1шт.

6

73162493

INDICATOR

Gear

1шт.

7

73162489

SENSOR

1шт.

8

73162490

LEVER

control

1шт.

8

73162490R

REMAN ELECT CONTROL

1шт.

8

73162490C

CORE-ELECTRONIC CONT

Return Number

1шт.

9

73161226

FILTER

oil

1шт.

10

87657163

CONTROL

1шт.

11

73162492

CONTROL

1шт.

12

75312856

CABLE ASSY.

1шт.

13

75312858

STRAP

6шт.

14

75312857

STRAP

1шт.

Выбрано товаров: 21