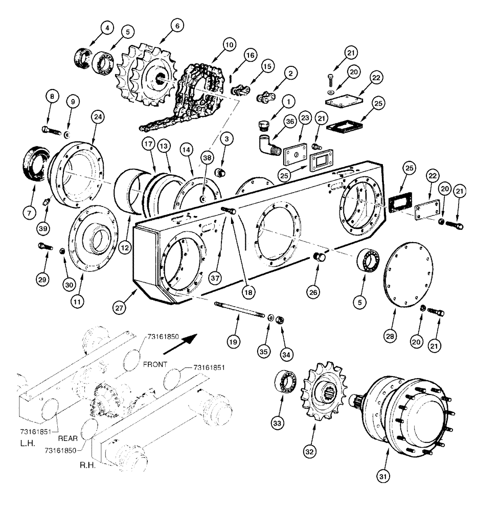
Запчасти Case 865 DHP (6-078) - TANDEM - WHEEL END (FOR CLARK AXLE) (06) - POWER TRAIN

Схема запчастей Case 865 DHP - (6-078) - TANDEM - WHEEL END (FOR CLARK AXLE) (06) - POWER TRAIN
5
4
9
24
18
21
38
15
25
16
20
21
33
20
10
19
36
31
22
39
20
37
3
17
13
2
5
14
6
12
25
21
7
32
23
21
35
27
8
25
28
30
29
1
22
26
34
11
FIT
1:1
100%

Артикул

Название

Примечание

Количество

1

70634161

BREATHER

2шт.

2

73161845

LINK,Chain, 31.75mm Pitch

1шт.

3

70901651

PLUG

2шт.

4

73161790

OIL SEAL,52mm ID x 80.3mm OD x 10mm Thk

RETAINER

2шт.

5

26794670

BALL BEARING,65mm ID x 120mm OD x 23mm W

4шт.

6

75321993

GEAR

SPROCKET

2шт.

7

73155118

SEAL

RETAINER

2шт.

8

15981231

BOLT,Hex, M16 x 1.5 x 65mm, Cl 10.9

48шт.

9

10517271

LOCK WASHER,16.2mm ID x 27.7mm OD x 4mm Thk

48шт.

10

73161843

CHAIN,Roller, 74 Links x 31.75mm = 2349.5mm

2шт.

11

73161850

COVER

2шт.

11

73161851

COVER

2шт.

12

75246450

BUSHING,350mm ID x 362.5mm OD x 80mm L

2шт.

13

75258148

FLANGE

HUB

2шт.

14

75325418

SHIM,444mm ID x 502mm OD x 0.45mm Thk

SHIM, 0.45mm

14шт.

14

75325419

SHIM,444mm ID x 502mm OD x 0.18mm Thk

SHIM, 0.18mm

4шт.

14

75325420

SHIM,444mm ID x 502mm OD x 0.15mm Thk

SHIM, 0.15mm

4шт.

15

73161844

LINK,Chain, 31.75mm Pitch

Includes: Ref. 16 and 17

1шт.

16

73161846

COTTER PIN

8шт.

17

73155650

RING,363mm ID x 440mm OD x 3mm Thk

4шт.

18

73161800

BOLT,Hex, M20 x 1.5 x 70mm, Cl 10.9

BOLT

32шт.

19

75320124

STUD

52шт.

20

10516871

LOCK WASHER,10.2mm ID x 17.7mm OD x 2.5mm Thk

lock

48шт.

21

11106231

BOLT,Hex, M10 x 1.5 x 25mm, Cl 10.9

48шт.

22

75257148

COVER

10шт.

23

75257150

COVER

2шт.

24

75327012

FLANGE

HUB

2шт.

25

75257147

GASKET

12шт.

26

70912725

PLUG

4шт.

27

75251706

CASE

HOUSING

2шт.

28

75321978

COVER

2шт.

29

11112431

SCREW,Hex, M12 x 30mm, Cl 10.9, Full Thd

60шт.

30

10517071

LOCK WASHER,12.2mm ID x 21.1mm OD x 3.1mm Thk

60шт.

31

75251577

WHEEL DISC

See Figure 6-068

4шт.

32

73161842

SPROCKET

2шт.

33

28995900

BALL BEARING,45mm ID x 100mm OD x 25mm W

4шт.

34

12164121

NUT,M16 x 1.5, Cl 10

52шт.

35

10517271

LOCK WASHER,16.2mm ID x 27.7mm OD x 4mm Thk

52шт.

36

70907059

HYD CONNECTOR

ELBOW

2шт.

37

70052519

WIRE

steel

2шт.

38

14497131

WASHER,21mm ID x 37mm OD x 3mm Thk

32шт.

39

219-1

LUBE NIPPLE,1/8" - 27 NPTF

4шт.

Выбрано товаров: 42