Качественные детали и логистика
Оригинальные и аналоговые запчасти с доставкой по России, Казахстану и Беларуси
©2022 PartSell ООО "Система" ИНН 2463123282 ОГРН 1212400004838
Центральный офис: г. Красноярск, Академика Киренского, д.87, пом.4
Телефон: 8 (800) 777-65-74 Email: zakaz@partsell.ru
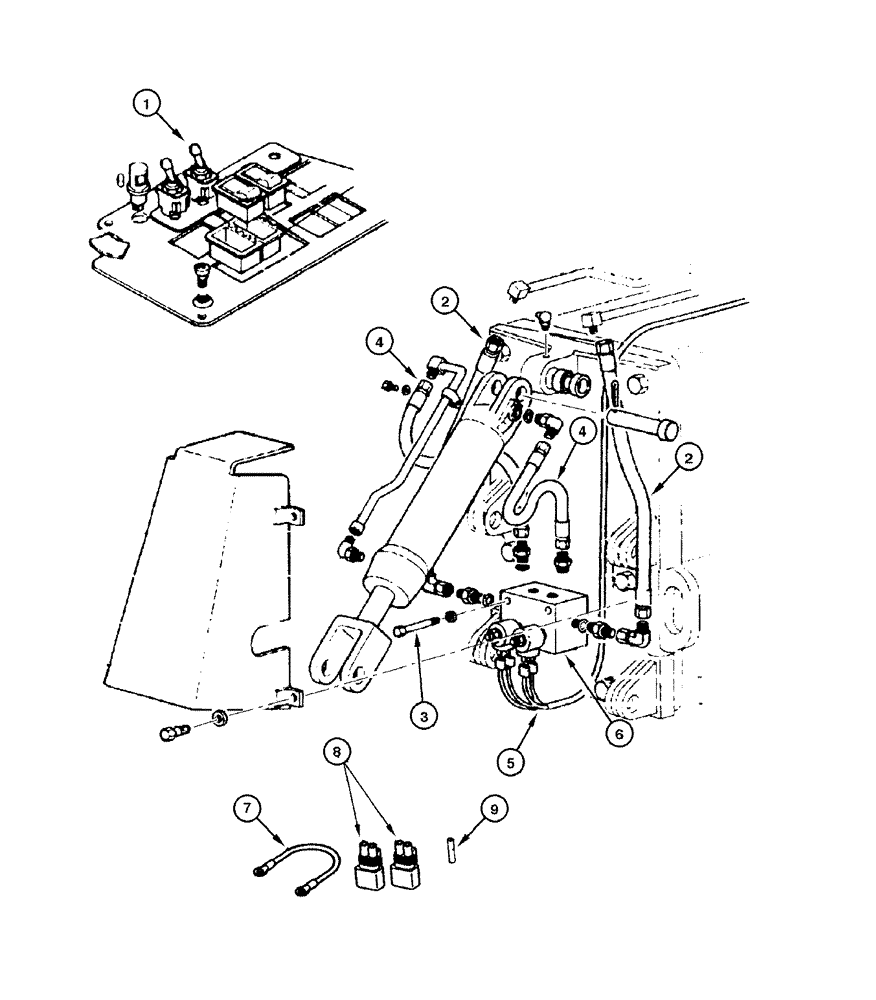
(8-032) - BLADE HYDRAULIC CIRCUIT - FLOAT CONTROL
№
Артикул
Название
Примечание
Количество
1
73125891
ASSEMBLY
1шт.
2
75254162
FLEXIBLE HOSE
2шт.
3
16045021
BOLT,Hex, M8 x 1.25 x 90mm, Cl 8.8
4
75254161
5
75322559
HARNESS
6
REF
INSTRUCTION
VALVE (Figure 8-036)
7
75322592
ELECTRIC CABLE
8
75322270
ELEC CONNECTOR
VARISTOR
9
19109687
INSULATOR
TUBE
Выбрано товаров: 0