Запчасти Case 865 DHP (8-112) - CYLINDER - SADDLE LOCK (08) - HYDRAULICS

Схема запчастей Case 865 DHP - (8-112) - CYLINDER - SADDLE LOCK (08) - HYDRAULICS
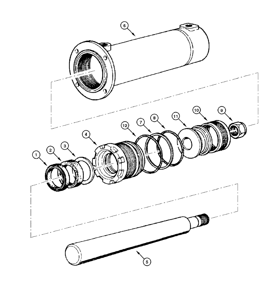
1
6
11
4
9
12
3
8
7
10
5
2
FIT
1:1
100%

Артикул

Название

Примечание

Количество

75250238

CYLINDER,Double Acting, 50mm Rod, 168mm Stroke

saddle, Includes: Ref. 1 - 12

1шт.

1

8288832

O-RING

SEAL

1шт.

2

8297073

BRAKE LINING

SEAL

1шт.

3

8297074

RING

seal

1шт.

4

75218748

BASE PLATE

HEAD

1шт.

5

75250239

ROD,50mm OD x 370mm L

1шт.

6

75250241

CYLINDER,80mm Bore Dia

LINER

1шт.

7

8297295

RING,73.8mm ID x 80mm OD x 1.5mm Thk

1шт.

8

14465180

O-RING,72.62mm ID x 3.53mm Width

1шт.

9

8281325

NUT

1шт.

10

8291506

SEALING RING

SEALRING SEAL

1шт.

11

79038730

PISTON

1шт.

12

14465480

O-RING,0.139" Thk x 3.234" ID, -236, Cl 5, 75 Duro

1шт.

13

75288869

SEAL KIT

repair, Includes: Ref. 1, 2, 3, 7, 8, 10 and 12

1шт.

Выбрано товаров: 14