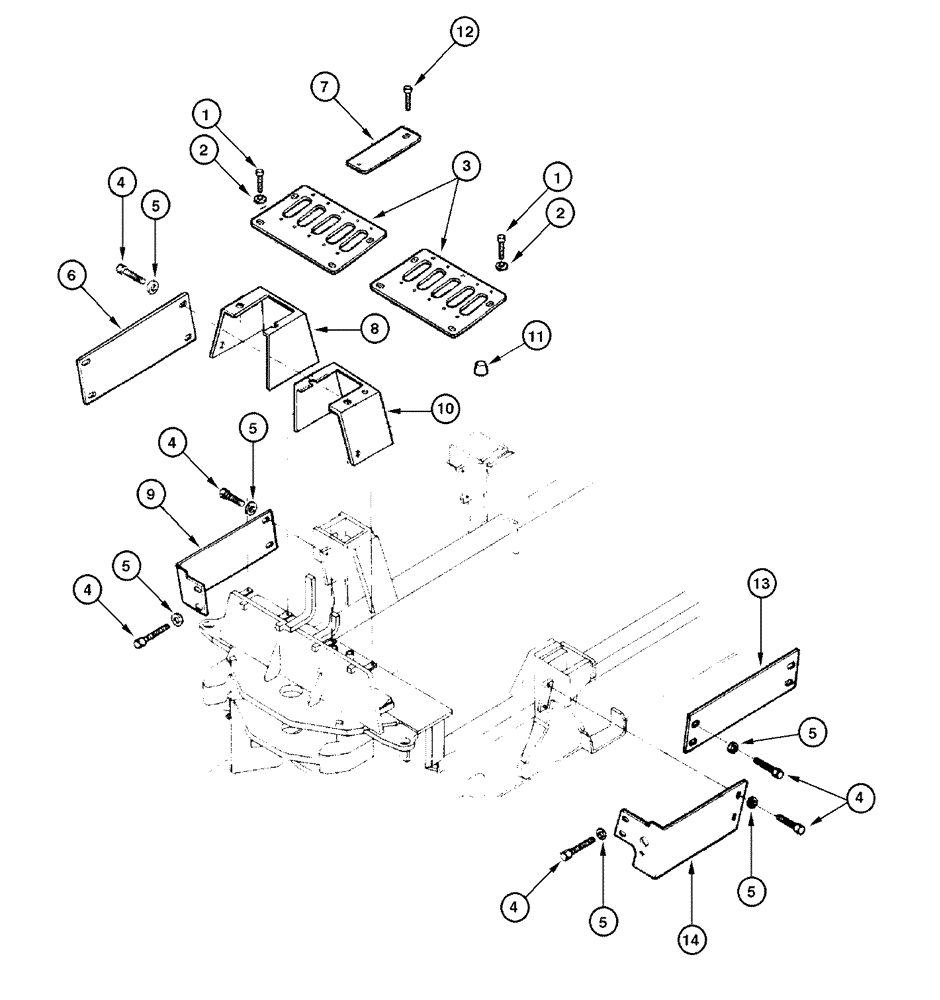
Запчасти Case 865 DHP (9-052) - PROTECTION PLATES - REAR CHASSIS (09) - CHASSIS

Схема запчастей Case 865 DHP - (9-052) - PROTECTION PLATES - REAR CHASSIS (09) - CHASSIS
7
2
5
3
8
1
2
6
5
12
4
10
4
5
9
1
4
14
5
4
5
11
5
13
4
FIT
1:1
100%

Артикул

Название

Примечание

Количество

1

13276617

SCREW,Pozidriv Pan Hd, M6 x 25mm, Cl 5.8, Full Thd

10шт.

2

85801991

WASHER,6.3mm OD x 18mm ID x 4mm Thk

10шт.

3

75323391

PLATE

COVER

2шт.

4

16043231

SCREW,Hex, M8 x 16mm, Cl 10.9, Full Thd

29шт.

5

10730301

WASHER,8.15mm ID x 17mm OD x 2mm Thk

29шт.

6

75320205

COVER

GUARD, R.H.

1шт.

7

75258109

COVER

PANEL

1шт.

8

75324485

COVER

GUARD

1шт.

9

75252134

COVER

1шт.

10

75324484

COVER

PANEL

1шт.

11

75320611

CAP

PLUG

1шт.

12

15644101

SELF-TAP SCREW,Cross Pan Hd, M4.2 x 16mm

20шт.

13

75252137

COVER

L.H.

1шт.

14

75252135

COVER

1шт.

Выбрано товаров: 14