Запчасти Case 865 DHP (4-030) - ELECTRIC SYSTEM - TRANSMISSION (04) - ELECTRICAL SYSTEMS

Схема запчастей Case 865 DHP - (4-030) - ELECTRIC SYSTEM - TRANSMISSION (04) - ELECTRICAL SYSTEMS
12
6
10
5
4
8
1
3
11
2
13
9
14
7
FIT
1:1
100%

Артикул

Название

Примечание

Количество

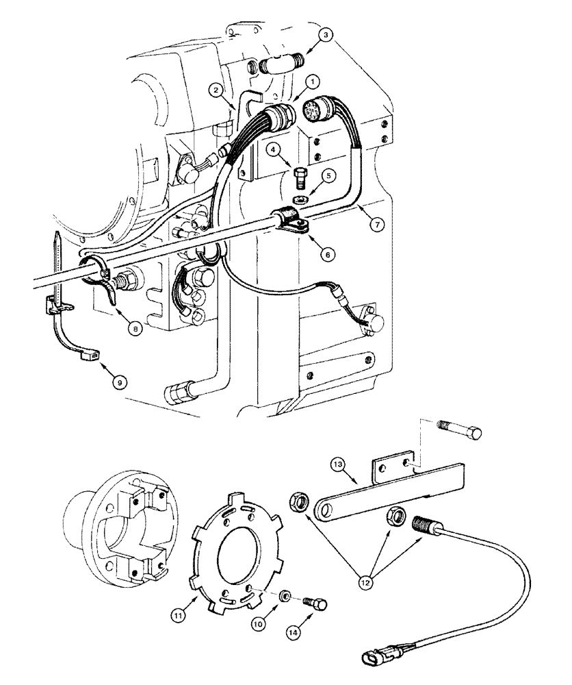
1

75289646

ELECTRIC CABLE

HARNESS transmission

1шт.

2

75287758

SUPPORT

BRACKET

1шт.

3

70924026

ELBOW

1шт.

4

16043231

SCREW,Hex, M8 x 16mm, Cl 10.9, Full Thd

1шт.

5

14496531

WASHER,8.4mm ID x 17mm OD x 1.6mm Thk

1шт.

6

70925621

COLLAR

CLAMP

1шт.

7

75326325

WIRE

HARNESS transmission

1шт.

8

75201641

CLAMP

4шт.

9

75284071

CLAMP

5шт.

10

70912441

LOCK WASHER

lock

4шт.

11

75281055

PLATE

1шт.

12

75252215

SENSOR

1шт.

13

75252216

SUPPORT

BRACKET

1шт.

14

70927353

SCREW

BOLT

4шт.

Выбрано товаров: 14