Запчасти Case 865 DHP (4-054) - AIR CONDITIONING SYSTEM (04) - ELECTRICAL SYSTEMS

Схема запчастей Case 865 DHP - (4-054) - AIR CONDITIONING SYSTEM (04) - ELECTRICAL SYSTEMS
28
13
25
10
8
7
27
4
22
19
23
15
20
18
14
24
21
26
6
3
11
17
2
16
12
5
9
1
FIT
1:1
100%

Артикул

Название

Примечание

Количество

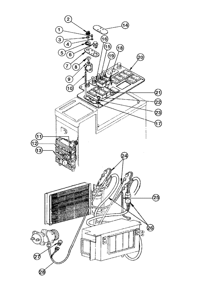
1

13297317

SCREW,M4 x 10mm

BOLT

4шт.

2

1994720C1

KNOB

1шт.

3

109311H

JAM NUT

1шт.

4

70917458

WASHER

4шт.

5

75321640

DECAL

1шт.

6

75289897

FAN SWITCH

1шт.

7

75321394

PLATE

PLATE

1шт.

8

79005601

SHIM

RING

1шт.

250742A1

ELECTRIC CABLE

ROPE, Includes: Ref. 9 and 10

1шт.

9

1954651C2

CONTROL

1шт.

10

250739A1

CABLE,510mm L

HARNESS

1шт.

11

9804895

FUSE,20A, Micro, Yellow

1шт.

12

9811773

FUSE,10A, Micro, Red

2шт.

13

75251103

RELAY

2шт.

14

75321538

COVER

1шт.

75321122

SWITCH

SWITCH, Includes: Ref. 15 and 16

1шт.

15

75321124

LENS,BLUE

LENS

1шт.

16

75251041

TOGGLE SWITCH

SWITCH

1шт.

17

85801991

WASHER,6.3mm OD x 18mm ID x 4mm Thk

4шт.

75321686

SWITCH

SWITCH, Includes: Ref. 18 and 19

1шт.

18

75251050

TOGGLE SWITCH

SWITCH

1шт.

19

75321687

LENS,GREEN

LENS

1шт.

20

75321535

PLATE

1шт.

21

75251093

CONNECTING BLOCK

HOUSING contact

1шт.

22

85803983

CONTACT HOUSING

1шт.

23

13313217

SCREW,Pozidriv Oval Hd, Csk, M6 x 20mm, Cl 5.8, Full Thd

4шт.

24

75322516

ELECTRIC CABLE

HARNESS

1шт.

25

75201642

CLAMP

3шт.

26

75322519

ELECTRIC CABLE

HARNESS

1шт.

27

75322270

ELEC CONNECTOR

VARISTOR

1шт.

28

75322517

ELECTRIC CABLE

HARNESS

1шт.

Выбрано товаров: 31