Качественные детали и логистика
Оригинальные и аналоговые запчасти с доставкой по России, Казахстану и Беларуси
©2022 PartSell ООО "Система" ИНН 2463123282 ОГРН 1212400004838
Центральный офис: г. Красноярск, Академика Киренского, д.87, пом.4
Телефон: 8 (800) 777-65-74 Email: zakaz@partsell.ru
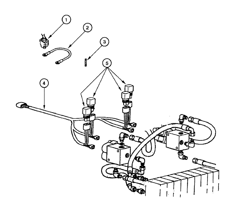
(4-058) - SCARIFIER AND RIPPER ELECTRICAL SYSTEM
№
Артикул
Название
Примечание
Количество
1
73125891
ASSEMBLY
1шт.
2
75322592
ELECTRIC CABLE
HARNESS
3
19109687
INSULATOR
TUBE
4
75322557
5
75322270
ELEC CONNECTOR
VARISTOR
4шт.
Выбрано товаров: 0