Запчасти Case 865 DHP (6-030) - TRANSMISSION - MAIN HOUSING (06) - POWER TRAIN

Схема запчастей Case 865 DHP - (6-030) - TRANSMISSION - MAIN HOUSING (06) - POWER TRAIN
3
25
12
14
13
25
37
30
16
13
1
32
18
20
21
36
7
5
12
6
17
34
33
38
11
26
12
27
31
8
4
24
2
19
10
15
28
4
23
35
22
9
29
FIT
1:1
100%

Артикул

Название

Примечание

Количество

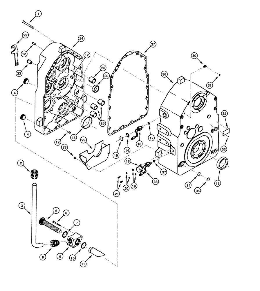
1

75312822

BOLT

18шт.

2

75288498

HYD CONNECTOR

1шт.

3

75288497

RIGID TUBE

1шт.

4

75289429

PLUG

2шт.

5

75312820

FILTER SCREEN

FILTER

1шт.

6

75312821

BOLT

2шт.

7

75288501

RUBBER SEAL

1шт.

8

75288498

HYD CONNECTOR

1шт.

9

75289421

BLOCK

1шт.

10

75288494

O-RING

1шт.

11

75289430

RIGID TUBE

1шт.

12

75289423

PIN

3шт.

13

75288512

BEARING ASSY

2шт.

14

75289435

RING

1шт.

15

75289431

SNAP RING

1шт.

16

75289425

SENSOR

1шт.

17

75288425

O-RING

1шт.

18

75288496

COVER

1шт.

19

75289387

WASHER

2шт.

20

75289386

WASHER

2шт.

21

75312825

BOLT

2шт.

22

75287758

SUPPORT

BRACKET

1шт.

23

75288513

HYDRAULIC VALVE

1шт.

24

75289420

CASE

HOUSING front

1шт.

25

75288511

BUSHING

SLEEVE

4шт.

26

75289426

BUSHING

1шт.

27

75289055

GASKET

1шт.

28

75289428

SCREW

BOLT

2шт.

29

75289427

DEFLECTOR

1шт.

30

75289523

HYD CONNECTOR

1шт.

31

75289442

PLUG

1шт.

32

75289469

COVER PLATE

1шт.

33

75289470

SCREW

BOLT

2шт.

34

75288891

O-RING

O-RING

1шт.

35

75289434

HYD CONNECTOR

1шт.

36

75289419

CASE

HOUSING rear

1шт.

37

75288425

O-RING

1шт.

38

75289425

SENSOR

1шт.

Выбрано товаров: 38