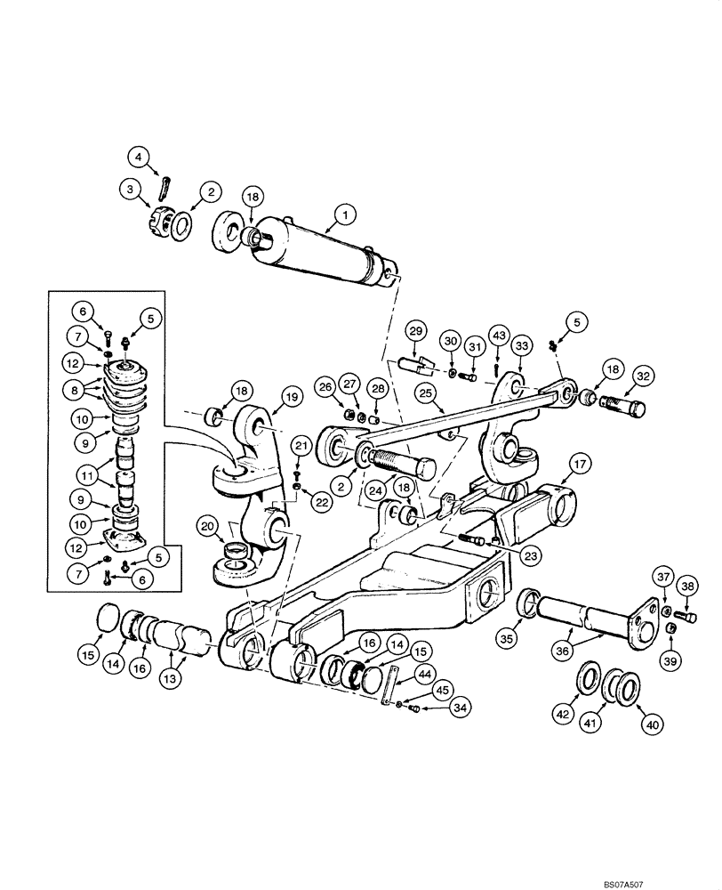
Запчасти Case 865 VHP (06.22[00]) - FRONT AXLE - ASSEMBLY (06) - POWER TRAIN

Схема запчастей Case 865 VHP - (06.22[00]) - FRONT AXLE - ASSEMBLY (06) - POWER TRAIN
18
39
37
18
5
7
3
5
12
6
19
18
42
41
5
20
18
25
17
12
14
16
44
34
38
2
36
1
7
13
2
28
27
14
15
4
29
11
32
30
35
8
40
21
22
23
9
45
24
26
15
16
31
10
9
43
10
33
6
FIT
1:1
100%

Артикул

Название

Примечание

Количество

1

REF

INSTRUCTION

Cylinder, tilt, See Figure 08.51

1шт.

2

70929276

WASHER,1.31" ID x 2.25" OD x 0.25" Thk

2шт.

3

70911061

SLOTTED NUT

2шт.

4

70901344

COTTER PIN,1/4" x 2"

1шт.

5

219-1

LUBE NIPPLE,1/8" - 27 NPTF

10шт.

6

70921076

SCREW,3/8"-16 x 1 1/4"

16шт.

7

70929156

WASHER,0.41" ID x 0.81" OD x 0.06" Thk

16шт.

8

73124681

SHIM,73.66mm ID x 82.56mm OD x 0.13mm Thk

(0.13 mm)

10шт.

8

73124683

SHIM,.020" Thk

0.15mm

10шт.

8

73124682

SHIM,73.66mm ID x 82.56mm OD x 0.18mm Thk

(0.18 mm)

10шт.

9

75327805

SHAFT SEAL

4шт.

10

73124678

TAPERED BEARING,34.92mm ID x 72.23mm OD x 25.4mm W

4шт.

11

73124680

PIN,44.4mm OD x 101.6mm L

4шт.

12

75266848

Cover

4шт.

13

75238951

PIN,50.8mm OD x 234mm L

2шт.

14

73124679

NEEDLE BEARING,Needle, 50.8mm ID x 60.33mm OD x 44.45mm W

4шт.

15

70930423

PLUG

4шт.

16

75327806

RUBBER SEAL

4шт.

17

75267462

Shaft

1шт.

18

70668028

SPHERICAL BEARING,31.74mm ID x 50.8mm OD x 27.76mm W

6шт.

19

73124520

ARTICULATION

Fork

1шт.

20

73125713

SEALING RING

2шт.

21

73125712

SET SCREW

2шт.

22

70913177

JAM NUT

2шт.

23

70922544

SCREW

1шт.

24

75327371

BOLT,Hex, 1-1/4" - 7 x 7-5/16", Gr 8

1шт.

25

73125722

TOP LINK

Bar

1шт.

26

70911030

NUT

1шт.

27

70914726

LOCK WASHER

1шт.

28

73125726

SPACER,19.05mm ID x 26.67mm OD x 3.81mm L

4шт.

29

70673051

PIN

1шт.

30

70677006

WASHER,10.31mm ID x 22.23mm OD x 4.76mm Thk

1шт.

31

70922763

SCREW

1шт.

32

75327373

BOLT,Hex, 1-1/4" - 7 x 5.39", Gr 8

1шт.

33

73124519

ARTICULATION

Fork

1шт.

34

10902221

BOLT,Hex, M6 x 16mm, CL 8.8

8шт.

35

75284007

BUSHING,50.88mm ID x 60.38mm OD x 69.4mm L

2шт.

36

75249866

SHAFT

1шт.

37

70930850

WASHER,0.53" ID x 1.5" OD x 0.25" Thk

2шт.

38

11113231

BOLT,Hex, M12 x 50mm, Cl 10.9

2шт.

39

73153515

SPACER,13mm ID x 25.4mm OD x 14.5mm L

2шт.

40

73135173

WASHER,52.32mm ID x 101.6mm OD x 1.52mm Thk

Shim, 1.52 mm

1шт.

41

73135174

WASHER,52.32mm ID x 101.6mm OD x 3.42mm Thk

Shim, 3.42 mm

1шт.

42

75327405

SHIM,52.32mm ID x 101.6mm OD x 1mm Thk

Shim, 1.00 mm

1шт.

43

75238952

PLATE

4шт.

44

10516471

LOCK WASHER

8шт.

45

75327511

SHIM,32mm ID x 100mm OD x 1mm Thk

1шт.

Выбрано товаров: 47