Запчасти Case 865 VHP (02-04[01]) - COOLING SYSTEM - RADIATOR - MOUNTING (02) - ENGINE

Схема запчастей Case 865 VHP - (02-04[01]) - COOLING SYSTEM - RADIATOR - MOUNTING (02) - ENGINE
12
27
13
28
19
28
27
5
18
16
25
28
10
7
10
6
21
11
7
27
28
14
7
20
23
22
27
9
26
28
15
3
2
1
24
17
4
8
27
FIT
1:1
100%

Артикул

Название

Примечание

Количество

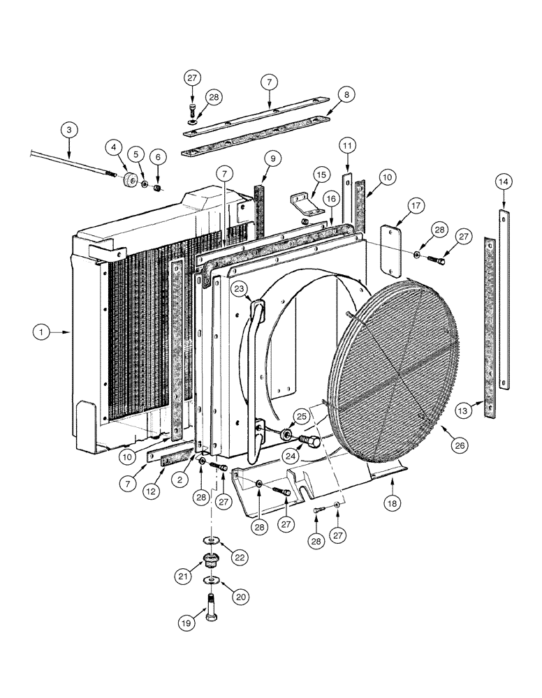
1

73164343

RADIATOR

Assy

1шт.

2

75327071

DEFLECTOR

1шт.

3

73164367

ROD

1шт.

4

741569

INSULATOR BLOCK

2шт.

5

75223893

WASHER,12.5mm ID x 43mm OD x 3mm Thk

4шт.

6

11702921

NUT,M12, Cl 10

4шт.

7

73164430

PLATE

3шт.

8

75260375

HOSE,50mm W x 930mm L

1шт.

9

73164432

SEALING STRIP,25mm W x 780mm L x 25mm Thk

1шт.

10

73164425

HOSE,45mm W x 781mm L

2шт.

11

73164431

PLATE

3шт.

12

73164427

HOSE,50mm W x 930mm L

1шт.

13

73164428

HOSE

1шт.

14

75325236

PLATE

2шт.

15

73164364

PLATE

1шт.

16

75325390

PROTECTION STRIP

1шт.

17

75324619

COVER

1шт.

18

75326200

HOOD

1шт.

19

15981231

BOLT,Hex, M16 x 1.5 x 65mm, Cl 10.9

2шт.

20

10517271

LOCK WASHER,16.2mm ID x 27.7mm OD x 4mm Thk

2шт.

21

76022229

INSULATOR BLOCK

2шт.

22

75254313

WASHER,16.5mm ID x 58mm OD x 4.76mm Thk

2шт.

23

75325980

PLATE

LH

1шт.

23

75325998

HANDRAIL

RH

2шт.

24

11106231

BOLT,Hex, M10 x 1.5 x 25mm, Cl 10.9

4шт.

25

12646821

WASHER,10.2mm ID x 25mm OD x 2mm Thk

4шт.

26

87539879

GRILLE

1шт.

27

16043431

SCREW,Hex, M8 x 1.25 x 20mm, Cl 10.9, Full Thd

25шт.

28

12646704

WASHER,8.15mm ID x 20mm OD x 2mm Thk

27шт.

Выбрано товаров: 29