Качественные детали и логистика
Оригинальные и аналоговые запчасти с доставкой по России, Казахстану и Беларуси
©2022 PartSell ООО "Система" ИНН 2463123282 ОГРН 1212400004838
Центральный офис: г. Красноярск, Академика Киренского, д.87, пом.4
Телефон: 8 (800) 777-65-74 Email: zakaz@partsell.ru
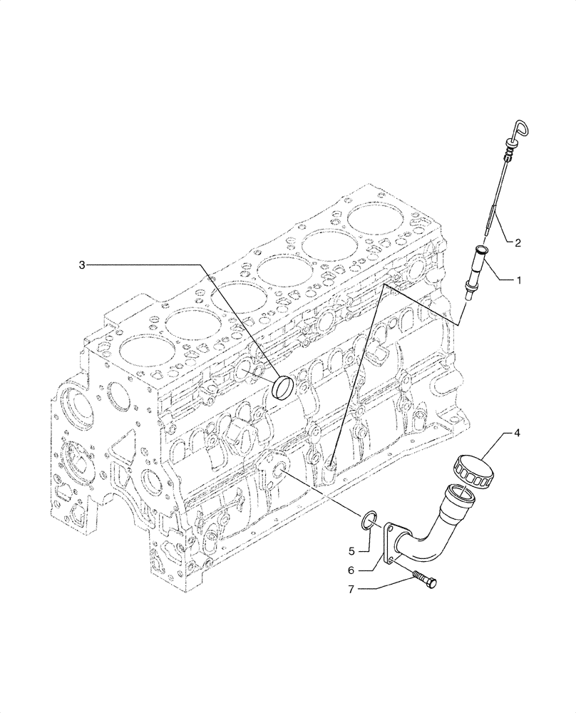
(02-32[01]) - OIL FILL LOCATION AND GAUGE OIL LEVEL
№
Артикул
Название
Примечание
Количество
1
J963443
TUBE
1шт.
2
J976994
ROD
3
75208211
PLUG
4
75208372
COVER
5
75287869
SEAL
6
J911696
TUBE,38.1 - 52.39 mm OD x 102.9, 56.5 mm L
7
75208347
SCREW
2шт.
Выбрано товаров: 0