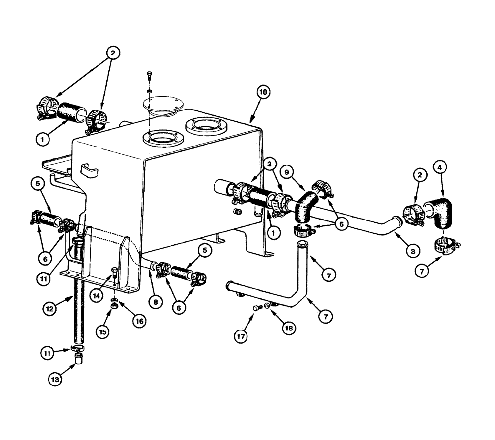
Запчасти Case 885 (02.03[00]) - COOLING SYSTEM (02) - ENGINE

Схема запчастей Case 885 - (02.03[00]) - COOLING SYSTEM (02) - ENGINE
14
6
7
13
1
7
6
5
4
15
2
5
17
8
12
10
7
18
3
11
16
1
11
6
2
9
2
FIT
1:1
100%

Артикул

Название

Примечание

Количество

1

75252197

HOSE

2шт.

2

70921914

CLAMP

6шт.

3

76257750

TUBE

TUBE

1шт.

4

75320219

RADIATOR HOSE,57.00 mm ID x 100.00 mm, SAE J 20R4-DI

1шт.

5

73116330

FLEXIBLE HOSE,38.10 mm ID x 101.60 mm, SAE 20R1

2шт.

6

70925881

CLAMP

6шт.

7

73158771

HYD TUBE,38.1 mm OD, 569, 476 mm Length

TUBE

1шт.

8

73163947

TUBE

1шт.

9

73158847

ELBOW,38.1mm ID x 152mm L, SAE 20R4-D2

1шт.

10

75320686

RESERVOIR, COOLANT E

RESERVIOR HYDRAULIC

1шт.

11

70922660

CLAMP

2шт.

12

75257822

HOSE

HOSE

1шт.

13

75257823

PLUG

COVER

1шт.

14

15540431

SCREW,Hex, M12 x 1.25 x 30mm, Cl 10.9, Full Thd

8шт.

15

16105011

NUT,Hex, M12 x 1.25, Cl 8

8шт.

16

70928460

WASHER

8шт.

17

16043431

SCREW,Hex, M8 x 1.25 x 20mm, Cl 10.9, Full Thd

2шт.

18

12645031

WASHER,8.45mm ID x 21mm OD x 3mm Thk

2шт.

Выбрано товаров: 18