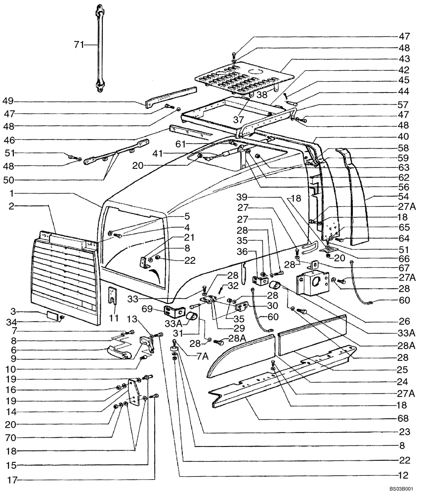
Запчасти Case 885 (09.16[00]) - ENGINE HOOD AND GRILLE (09) - CHASSIS

Схема запчастей Case 885 - (09.16[00]) - ENGINE HOOD AND GRILLE (09) - CHASSIS
70
65
42
67
47
20
48
44
48
58
13
33a
63
28
7
40
8
61
28
41
27a
60
19
12
16
48
64
4
30
35
28
27a
60
2
56
18
15
27
17
29
18
46
33
45
18
28
39
47
22
20
49
43
59
57
6
66
35
8
31
8
62
5
24
69
51
47
22
32
26
48
9
27a
7a
36
54
14
28a
20
37
1
28a
23
28
10
25
38
27
68
11
28
33a
19
18
28
51
34
71
50
21
3
FIT
1:1
100%

Артикул

Название

Примечание

Количество

1

73163894

ENGINE HOOD

1шт.

2

75321209

GRILLE

1шт.

3

186989A1

EMBLEM

Case Emblem

1шт.

4

11106431

SCREW,Hex, M10 x 1.5 x 30mm, Cl 10.9, Full Thd

16шт.

5

12638621

WASHER,M10 x 18 x 2

16шт.

6

60-7083T1

HANDLE

1шт.

7

10902631

BOLT,Hex, M6 x 25mm, Cl 10.9

10шт.

7a

10902431

SCREW,Hex, M6 x 20mm, Cl 10.9

2шт.

8

12639701

WASHER,6.15mm ID x 11mm OD x 1mm Thk

12шт.

9

366176A2

LATCH

1шт.

10

314610A1

BUTTON

1шт.

11

73164123

LOCK

2шт.

12

10902631

BOLT,Hex, M6 x 25mm, Cl 10.9

3шт.

13

12639701

WASHER,6.15mm ID x 11mm OD x 1mm Thk

3шт.

14

73163886

BRACKET

1шт.

15

389601A1

BOLT

1шт.

16

12577521

NUT,M12 x 1.75

1шт.

17

11106431

SCREW,Hex, M10 x 1.5 x 30mm, Cl 10.9, Full Thd

2шт.

18

12638601

WASHER,M10 x 18 x 2

27шт.

19

12648521

WASHER,12.2mm ID x 28mm OD x 4mm Thk

2шт.

20

11701731

NUT,M10, Cl 12

16шт.

21

73163888

BRACKET

2шт.

22

15896221

NUT,Hex, M6, 5.20mm High, Cl 10

4шт.

23

73066804

PAD

2шт.

24

75258359

PANEL

rear lower RH

1шт.

24

75258360

PANEL

rear lower LH

1шт.

25

75258361

PANEL

front lower RH

1шт.

25

75258362

PANEL

front lower LH

1шт.

26

75321529

PANEL

rear finishing RH

1шт.

26

75321530

PANEL

rear finishing LH

1шт.

27

16043231

SCREW,Hex, M8 x 16mm, Cl 10.9, Full Thd

6шт.

27a

10979321

BOLT,Hex, M10 x 14mm, Cl 8.8, Full Thd

22шт.

28

14496531

WASHER,8.4mm ID x 17mm OD x 1.6mm Thk

72шт.

28a

16043431

SCREW,Hex, M8 x 1.25 x 20mm, Cl 10.9, Full Thd

6шт.

29

75321481

HINGE

8шт.

30

75321485

HINGE

8шт.

31

75258700

PIN,8mm OD x 57mm L

8шт.

32

10734201

COTTER PIN,M2 x 12

2шт.

33

14306431

HEX SOC SCREW,M8 x 1.25 x 25mm, Cl 10.9, Full Thd

8шт.

33a

75324245

CUSHION

8шт.

34

131-431

PUSH-ON NUT,Self, Threading, 1/4"

2шт.

35

16100821

NUT,M8, Cl 10

32шт.

36

75258701

BRACKET

rubber stop

4шт.

37

75322389

BRACKET

bracket rear

1шт.

38

75322390

BRACKET

bracket front

1шт.

39

75320689

GUIDE

2шт.

40

75320816

BRACKET

hood rear

1шт.

41

75257868

GAS STRUT

hood

2шт.

42

75320854

BRACKET

hood uper

1шт.

43

73164135

PANEL

hood uper

1шт.

44

75320970

PIN,12.7mm OD x 105mm L

2шт.

45

10796301

COTTER PIN,M3.2 x 12

2шт.

46

75321593

BRACKET

frame rear

1шт.

47

11106831

SCREW,Hex, M10 x 40mm, Cl 10.9, Full Thd

36шт.

48

12638621

WASHER,M10 x 18 x 2

36шт.

49

75320992

BAR

LH

1шт.

49

75320993

BAR

RH

1шт.

50

75320737

SUPPORT

2шт.

51

11106431

SCREW,Hex, M10 x 1.5 x 30mm, Cl 10.9, Full Thd

8шт.

54

75258357

COVER

RH

1шт.

54

75258358

COVER

LH

1шт.

56

73164129

TUBE

Hood

1шт.

57

75322638

PLATE

2шт.

58

10979331

BOLT,Hex, M10 x 14mm, Cl 10.9, Full Thd

2шт.

59

14496621

WASHER,10.5mm ID x 21mm OD x 2mm Thk

2шт.

60

75260012

FLEXIBLE CABLE

Side Panel Cable

4шт.

61

11106831

SCREW,Hex, M10 x 40mm, Cl 10.9, Full Thd

1шт.

62

12644324

WASHER,10.2mm ID x 35mm OD x 3mm Thk

8шт.

63

12577221

LOCK NUT,M10 x 1.5mm Pitch, 12.30mm High, Cl 10, ZND

1шт.

64

11112431

SCREW,Hex, M12 x 30mm, Cl 10.9, Full Thd

8шт.

65

14496731

WASHER,M12 x 24 x 2.5 Thk

8шт.

66

75324125

LOCK

2шт.

67

75321532

PLATE

2шт.

68

75324336

SUPPORT

LH

1шт.

68

75324337

SUPPORT

RH

1шт.

69

75322569

SUPPORT

2шт.

70

10516873

WASHER

2шт.

71

75260013

STRAP

Hood Pull; Uses Existing Hardware

1шт.

Выбрано товаров: 78