Запчасти Case 885 (09.28[00]) - CAB - DOOR HANDLE (09) - CHASSIS

Схема запчастей Case 885 - (09.28[00]) - CAB - DOOR HANDLE (09) - CHASSIS
26
20
23
22
6
8
12
3
30
3
11
17
13
31
8
4
32
36
2
4
14
33
4
10
34
18
29
5
1
10
19
25
16
7
7
21
24
27
24
28
15
35
FIT
1:1
100%

Артикул

Название

Примечание

Количество

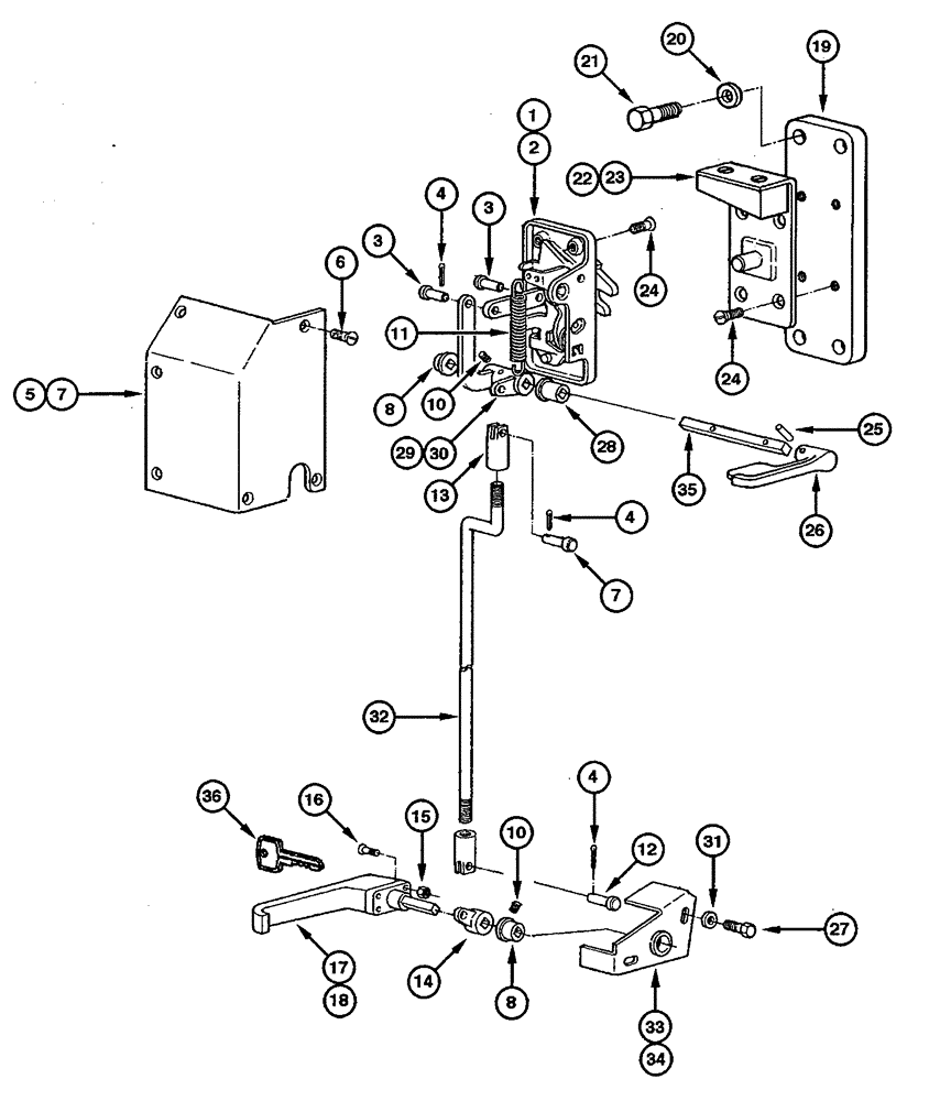
1

75310423

LOCK

LH

1шт.

2

75310424

LOCK

RH

1шт.

3

75310441

PIN

4шт.

3

75311297

PIN

(NOTE)

4шт.

4

75310787

COTTER PIN

8шт.

4

75310412

COTTER PIN

(NOTE)

8шт.

5

75310425

COVER

LH

1шт.

6

75310305

SCREW

12шт.

7

75310426

COVER

1шт.

8

75310786

BUSHING

4шт.

8

75310413

BUSHING

(NOTE)

4шт.

9

75310427

LEVER

2шт.

10

75310400

SCREW

2шт.

11

75310428

SPRING

2шт.

12

75310788

PIN

2шт.

12

75310441

PIN

(NOTE)

2шт.

13

75310429

YOKE

2шт.

14

75310430

LEVER

2шт.

15

NSS

NOT SOLD SEPARAT

1шт.

16

NSS

NOT SOLD SEPARAT

1шт.

17

75310432

HANDLE

LH

1шт.

18

75310433

HANDLE

RH

1шт.

19

75310434

SUPPORT

2шт.

20

75310383

WASHER

8шт.

21

75310349

SCREW

8шт.

22

75286857

LOCK

LH

1шт.

23

75286854

LOCK

RH

1шт.

24

75310435

SCREW

14шт.

25

75310416

PIN

2шт.

26

75310417

LEVER

2шт.

27

75310322

SCREW

4шт.

28

75310415

BUSHING

2шт.

29

75310436

LEVER

LH

1шт.

30

75310437

LEVER

RH

1шт.

31

75287780

WASHER

4шт.

32

75310438

THREADED TIE-ROD

2шт.

33

75310439

SUPPORT

LH

1шт.

34

75310440

SUPPORT

RH

1шт.

35

75310418

TIE-ROD

1шт.

36

75310740

DOOR LOCK KEY

1шт.

Выбрано товаров: 40