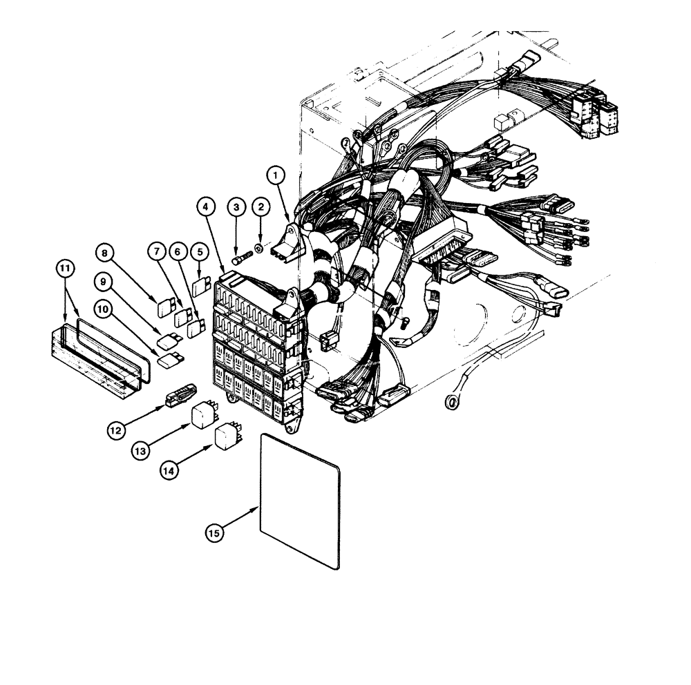
Запчасти Case 885 (04.09[00]) - ELECTRIC SYSTEM - RELAYS AND FUSES (04) - ELECTRICAL SYSTEMS

Схема запчастей Case 885 - (04.09[00]) - ELECTRIC SYSTEM - RELAYS AND FUSES (04) - ELECTRICAL SYSTEMS
12
15
2
4
5
6
8
14
1
11
7
10
9
3
13
FIT
1:1
100%

Артикул

Название

Примечание

Количество

1

75250002

SUPPORT

1шт.

2

12639701

WASHER,6.15mm ID x 11mm OD x 1mm Thk

4шт.

3

10902431

SCREW,Hex, M6 x 20mm, Cl 10.9

4шт.

4

75320546

ELECTRIC CABLE

1шт.

5

87717079

FUSE,7.5A

9шт.

6

84090658

FUSE,Lt Blue, 15 Amp

3шт.

7

9811773

FUSE,10A, Micro, Red

11шт.

8

87693742

FUSE,5A

1шт.

9

86503942

FUSE,3A, Micro

7шт.

10

9804895

FUSE,20A, Micro, Yellow

1шт.

11

75250001

COVER

4шт.

12

75250897

CLIP

1шт.

13

75251103

RELAY

6шт.

14

70663928

FLASHER UNIT

1шт.

15

75322187

DECAL

1шт.

Выбрано товаров: 15