Запчасти Case 885 (04.28[00]) - FRONT/REAR WINDSHILD WIPER MOTOR (LOW PROFILE CAB) (04) - ELECTRICAL SYSTEMS

Схема запчастей Case 885 - (04.28[00]) - FRONT/REAR WINDSHILD WIPER MOTOR (LOW PROFILE CAB) (04) - ELECTRICAL SYSTEMS
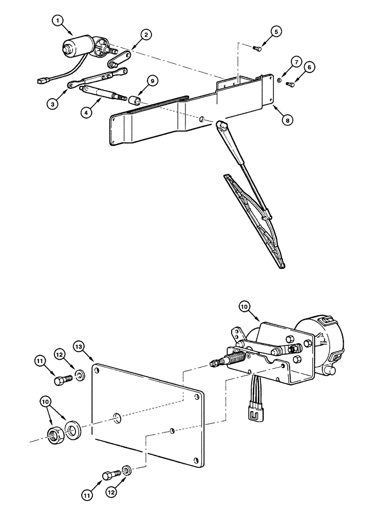
10
11
1
11
9
8
3
7
4
6
2
10
12
13
5
12
FIT
1:1
100%

Артикул

Название

Примечание

Количество

1

75311342

SMALL ELECTRIC MOTOR

Engine front wiper

1шт.

2

75311338

LEVER

Lever front wiper

5шт.

3

75313474

LEVER

Lever front wiper

5шт.

4

75311345

SHAFT

Shaft front wiper

1шт.

5

75310322

SCREW

1шт.

6

75313386

BOLT

1шт.

7

75313410

WASHER

1шт.

8

75311350

COVER

Front Wiper

1шт.

9

75311343

SPACER

1шт.

10

75311326

SMALL ELECTRIC MOTOR

Engine rear wiper

1шт.

11

75313386

BOLT

5шт.

12

75313410

WASHER

5шт.

13

75313471

COVER

Rear Wiper

1шт.

Выбрано товаров: 13