Запчасти Case 885 (04-20[01]) - ELECTRIC SYSTEM - RELAYS AND FUSES (04) - ELECTRICAL SYSTEMS

Схема запчастей Case 885 - (04-20[01]) - ELECTRIC SYSTEM - RELAYS AND FUSES (04) - ELECTRICAL SYSTEMS
9
11
2
6
10
12
5
13
3
14
15
7
1
4
FIT
1:1
100%

Артикул

Название

Примечание

Количество

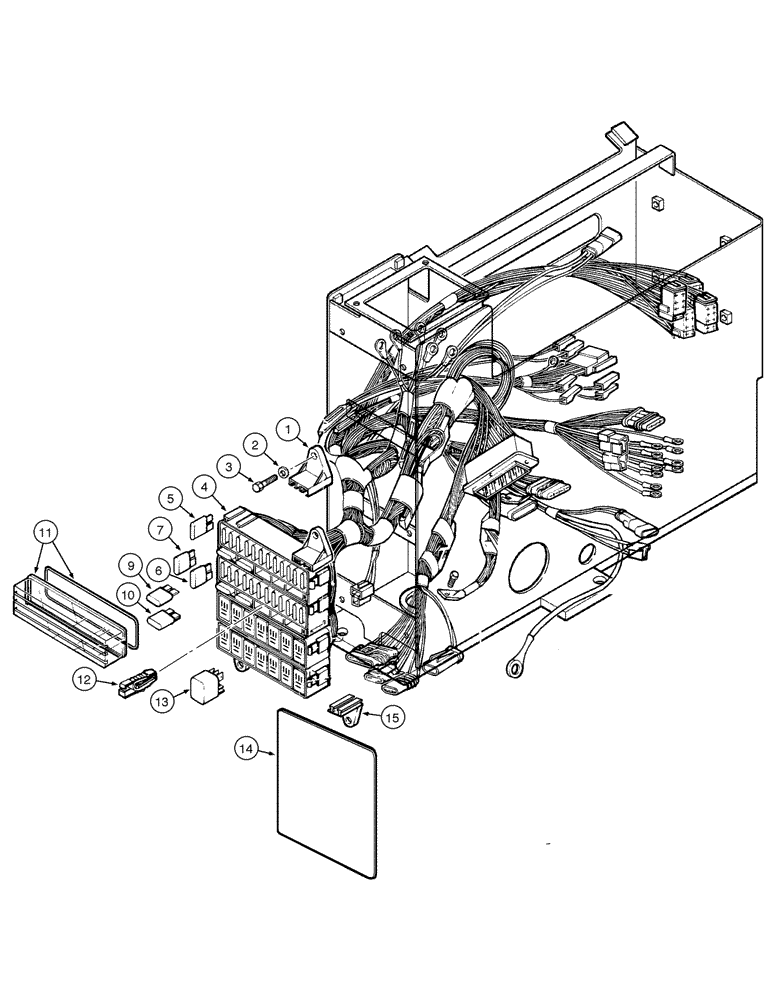
1

75250002

SUPPORT

Female

1шт.

2

12639701

WASHER,6.15mm ID x 11mm OD x 1mm Thk

6шт.

3

10902431

SCREW,Hex, M6 x 20mm, Cl 10.9

6шт.

4

75327386

ELECTRIC CABLE

1шт.

5

87717079

FUSE,7.5A

11шт.

6

84090658

FUSE,Lt Blue, 15 Amp

4шт.

7

9811773

FUSE,10A, Micro, Red

8шт.

9

86503942

FUSE,3A, Micro

6шт.

10

9804895

FUSE,20A, Micro, Yellow

1шт.

11

75250001

COVER

4шт.

12

75250897

CLIP

1шт.

13

75251103

RELAY

6шт.

14

75322188

DECAL

1шт.

15

70663928

FLASHER UNIT

Male

2шт.

Выбрано товаров: 14