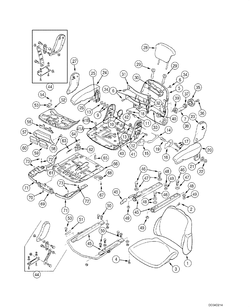
Запчасти Case 885 (09.58[00]) - SEAT ASSY - UPPER SEAT ASSY (OPTIONAL) (09) - CHASSIS

Схема запчастей Case 885 - (09.58[00]) - SEAT ASSY - UPPER SEAT ASSY (OPTIONAL) (09) - CHASSIS
17
52
65
28
45
40
48
41a
6
3
23
18
44
54
49
62
73
57
20
50
42
59
72
63
29
73
21
64
32
26
36
29
46
15
66
41
56
39
5
72
11
10
48
53
4
45
50
50
67
69
61
38
43
7
13
46
24
12
22
16
37
47
47
71
51
68
60
46
27
58
48
34
41b
9
19
2
49
33
30
34
35
49
31
49
14
70
44
45
1
25
71
13
6
FIT
1:1
100%

Артикул

Название

Примечание

Количество

399259A1

DRIVER SEAT

1шт.

398546A1

SUSPENSION

1шт.

406866A1

CUSHION

1шт.

1

NSS

NOT SOLD SEPARAT

SEAT BACK

1шт.

2

345726A1

SCREW

4шт.

87344451

CUSHION, SEAT

1шт.

3

NSS

NOT SOLD SEPARAT

SEAT

1шт.

4

345726A1

SCREW

4шт.

345764A1

BACKREST

1шт.

5

NSS

NOT SOLD SEPARAT

COVER

1шт.

6

345731A1

SCREW

7шт.

7

345771A1

RIVET

3шт.

345778A1

REPAIR KIT

1шт.

9

934058R1

WASHER,8.4mm ID x 15mm OD x 1.6mm Thk

2шт.

10

345743A1

SPRING

1шт.

11

345748A1

SCREW

1шт.

12

864-8016

HEX SOC SCREW,M8 x 16mm, Cl 8.8

2шт.

13

60-4845T1

NUT

2шт.

14

345749A1

LEVER

1шт.

15

345752A1

HANDLE

1шт.

16

345753A1

PLATE

1шт.

17

345754A1

SCREW

3шт.

18

345774A1

BUSHING

1шт.

19

345776A1

SCREW

1шт.

20

398151A1

ARMREST

1шт.

21

345729A1

WASHER

1шт.

22

832-10408

NUT,M8 x 1.25, Cl 8.8

1шт.

23

345741A1

COVER

1шт.

24

398152A1

ARMREST

1шт.

25

345729A1

WASHER

1шт.

26

832-10408

NUT,M8 x 1.25, Cl 8.8

1шт.

27

345756A1

COVER

RH

1шт.

28

345727A1

SEAT HEADREST

Fabric

1шт.

29

345765A1

FERRULE

2шт.

30

345766A1

RETAINER

1шт.

345767A1

SUPPORT

LUMBAR

1шт.

31

345732A1

PLATE

2шт.

32

345733A1

PLATE

1шт.

33

345730A1

ROD

1шт.

34

345731A1

SCREW

7шт.

35

345769A1

HANDLE

1шт.

36

345768A1

SCREW

1шт.

37

345770A1

PAWL

1шт.

38

345771A1

RIVET

3шт.

39

345772A1

SUPPORT

1шт.

40

345773A1

LEVER

1шт.

41

345747A1

FRAME

1шт.

41a

345737A1

GUIDE

4шт.

41b

345777A1

RIVET

4шт.

42

345786A1

STOP

1шт.

43

832-10408

NUT,M8 x 1.25, Cl 8.8

1шт.

44

345785A1

KIT

1шт.

45

345783A1

RAIL ASSY.

1шт.

46

16043224

BOLT,Hex, M8 x 16mm, Cl 8.8

4шт.

47

345729A1

WASHER

3шт.

48

934058R1

WASHER,8.4mm ID x 15mm OD x 1.6mm Thk

4шт.

49

345728A1

NUT

4шт.

50

864-8025

HEX SOC SCREW,M8 x 25mm, Cl 8.8

6шт.

51

345784A1

BRACKET

1шт.

345757A1

PLATE

1шт.

52

NSS

NOT SOLD SEPARAT

PLATE

1шт.

53

345758A1

SPRING

1шт.

54

345735A1

RIVET

2шт.

55

345726A1

SCREW

4шт.

56

345759A1

LATCH

1шт.

57

345761A1

COVER

1шт.

58

345726A1

SCREW

2шт.

59

345763A1

HANDLE

1шт.

60

345762A1

HANDLE

1шт.

61

345779A1

ROD

1шт.

345775A1

LEVER

1шт.

62

NSS

NOT SOLD SEPARAT

LEVER

1шт.

63

345780A1

SPRING

1шт.

64

345781A1

BUSHING

1шт.

65

345782A1

SCREW

1шт.

345734A1

PLATE

1шт.

66

NSS

NOT SOLD SEPARAT

PLATE

1шт.

67

345735A1

RIVET

2шт.

68

345736A1

SPRING

2шт.

69

345739A1

BRACKET

1шт.

70

345740A1

SCREW

4шт.

345738A1

COVER

1шт.

71

NSS

NOT SOLD SEPARAT

COVER

1шт.

72

345103A1

WASHER

2шт.

73

345735A1

RIVET

4шт.

Выбрано товаров: 85