Запчасти Case 885 (04.02[00]) - ALTERNADOR 45A - ASSEMBLY (04) - ELECTRICAL SYSTEMS

Схема запчастей Case 885 - (04.02[00]) - ALTERNADOR 45A - ASSEMBLY (04) - ELECTRICAL SYSTEMS
3
5
11
2
4
8
6
1
7
10
9
FIT
1:1
100%

Артикул

Название

Примечание

Количество

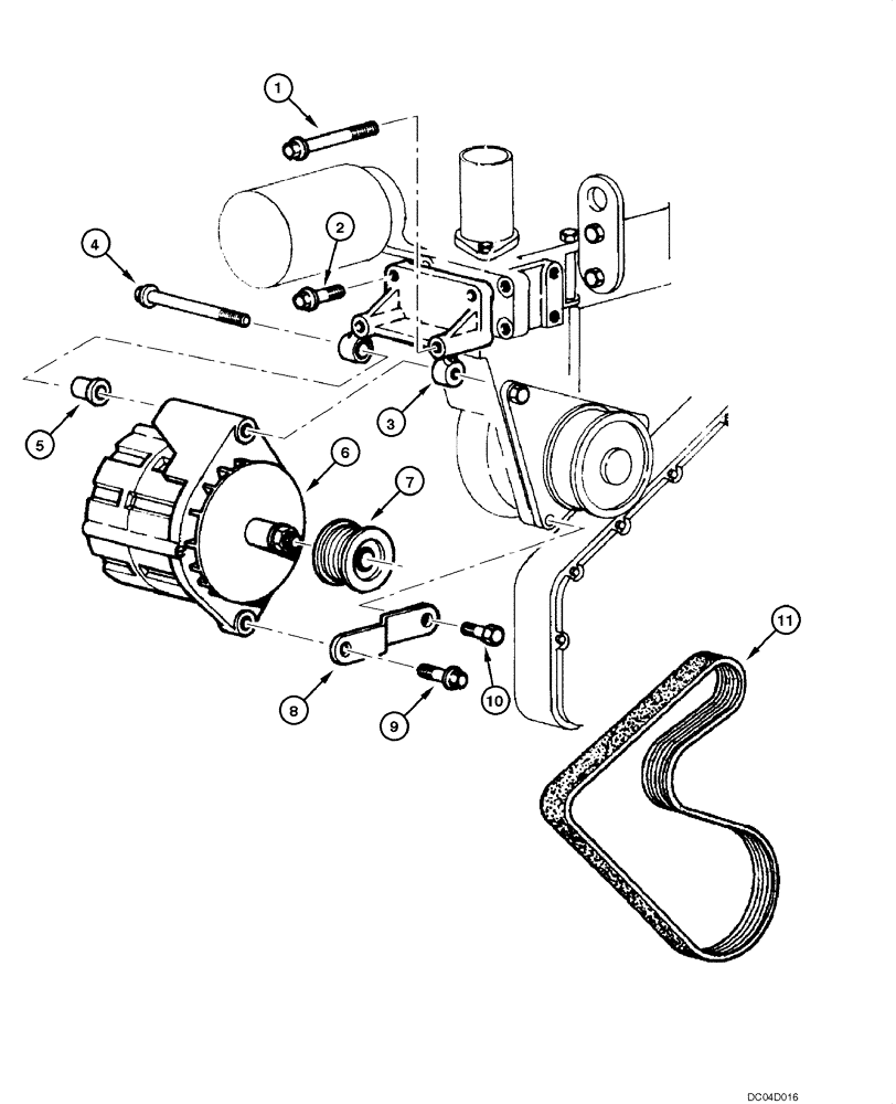
1

75208926

BOLT

M8 x 1.25 x 80

2шт.

2

75208953

SCREW

M8 x 1.25 x 25

2шт.

3

75206640

SUPPORT

1шт.

4

75286629

BOLT,Flng, M10 x 1.5 x 125mm

1шт.

5

75206635

SPACER

1шт.

6

75208381

ALTERNATOR

See Figure 04.04

1шт.

6

J352841R

REMAN-ALTERNATOR

885 MOTOR GRADER TIER 2 - BTW 024102-024129, Reman for New PN 75208381

1шт.

6

J352841C

CORE-ALTERNATOR

Return Number

1шт.

7

75206637

PULLEY,66mm OD

1шт.

8

75206639

SUPPORT

1шт.

9

75206638

SCREW

M10 x 1.50 x 25

1шт.

10

75208384

BOLT,Flng, M8 x 1.25 x 30mm

M8 x 1.25 x 30

1шт.

11

75206859

BELT, TRANSMISSION

1шт.

Выбрано товаров: 13