Запчасти Case 885 (04.14[00]) - ELECTRIC SYSTEM - TRANSMISSION (04) - ELECTRICAL SYSTEMS

Схема запчастей Case 885 - (04.14[00]) - ELECTRIC SYSTEM - TRANSMISSION (04) - ELECTRICAL SYSTEMS
2
11
14
6
10
1
3
5
13
4
12
8
9
7
FIT
1:1
100%

Артикул

Название

Примечание

Количество

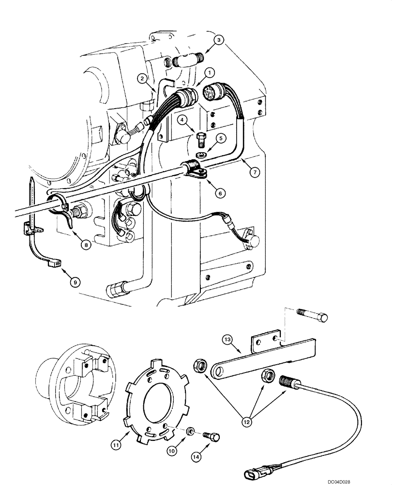
1

75289646

ELECTRIC CABLE

Transmission

1шт.

2

70924026

ELBOW

1шт.

3

75287758

SUPPORT

1шт.

4

16043231

SCREW,Hex, M8 x 16mm, Cl 10.9, Full Thd

1шт.

5

14496531

WASHER,8.4mm ID x 17mm OD x 1.6mm Thk

1шт.

6

70925621

COLLAR

1шт.

7

75323069

ELECTRIC CABLE

Transmission

1шт.

8

75201641

CLAMP

5шт.

9

75284071

CLAMP

8шт.

10

70912441

LOCK WASHER

4шт.

11

75281055

PLATE

1шт.

12

75252215

SENSOR

1шт.

13

75252216

SUPPORT

1шт.

14

70927353

SCREW

4шт.

Выбрано товаров: 14