Запчасти Case 885 (04.30[00]) - SCARIFIER AND RIPPER ELECTRICAL SYSTEM (04) - ELECTRICAL SYSTEMS

Схема запчастей Case 885 - (04.30[00]) - SCARIFIER AND RIPPER ELECTRICAL SYSTEM (04) - ELECTRICAL SYSTEMS
4
3
2
1
5
FIT
1:1
100%

Артикул

Название

Примечание

Количество

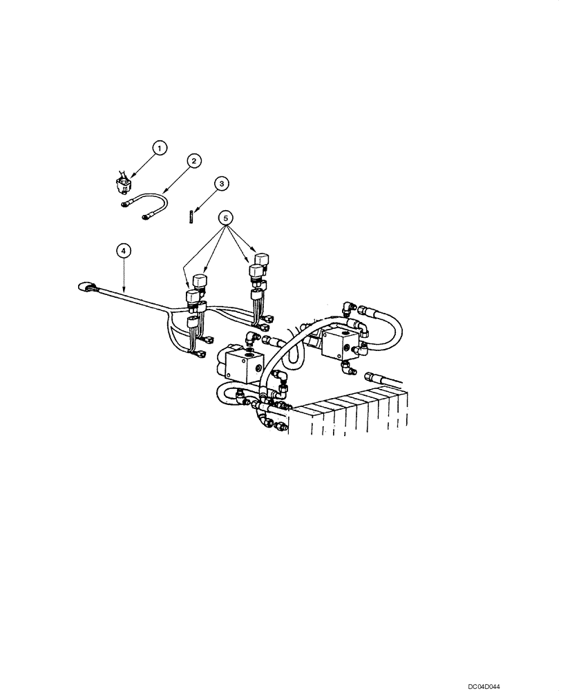
1

73125891

ASSEMBLY

1шт.

2

75322592

ELECTRIC CABLE

1шт.

3

75322557

ELECTRIC CABLE

1шт.

4

19109687

INSULATOR

1шт.

5

75322270

ELEC CONNECTOR

VARISTOR

4шт.

Выбрано товаров: 5