Запчасти Case 885 (08-034[01]) - BLADE HYDRAULIC CIRCUIT - FLOAT CONTROL (08) - HYDRAULICS

Схема запчастей Case 885 - (08-034[01]) - BLADE HYDRAULIC CIRCUIT - FLOAT CONTROL (08) - HYDRAULICS
6
14
5
10
8
7
2
11
11
7
1
9
16
13
10
3
12
7
4
15
FIT
1:1
100%

Артикул

Название

Примечание

Количество

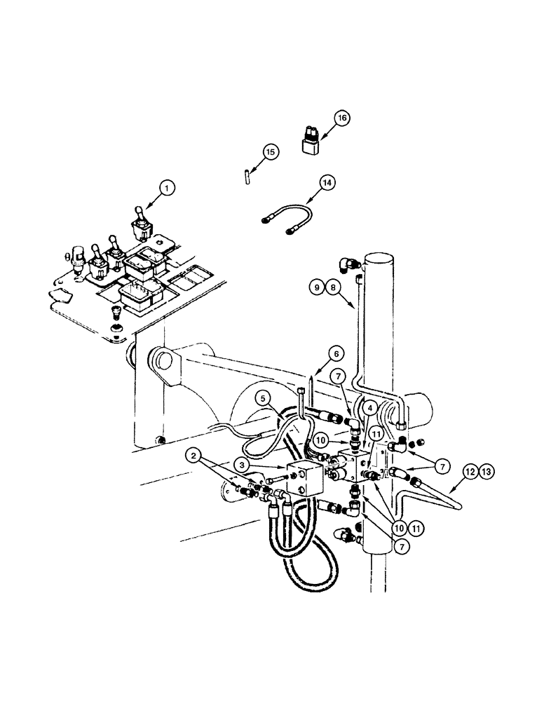
1

73125891

ASSEMBLY

float control

2шт.

2

70927261

HYD CONNECTOR

4шт.

3

75325426

GUARD

2шт.

4

REF

INSTRUCTION

VALVE float

2шт.

Page 08-36

1шт.

5

75249893

CABLE

1шт.

6

70929402

CLAMP

10шт.

7

70921279

ELBOW

8шт.

8

75254140

RIGID TUBE

LH

1шт.

9

75254144

RIGID TUBE

RH

1шт.

10

70921409

HYD CONNECTOR

8шт.

11

70921349

O-RING,0.087" Thk x 0.644" ID, -908, Cl 6, 90 Duro

8шт.

12

75254142

RIGID TUBE

LH

1шт.

13

75254146

RIGID TUBE

RH

1шт.

14

75322592

ELECTRIC CABLE

1шт.

15

19109687

INSULATOR

1шт.

16

75322270

ELEC CONNECTOR

4шт.

Выбрано товаров: 17