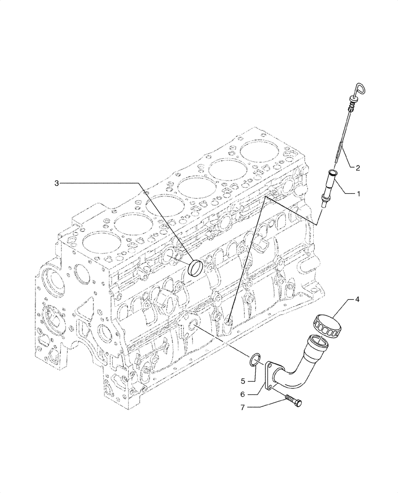
Запчасти Case 885 (02-32[01]) - OIL FILL LOCATION AND GAUGE OIL LEVEL (02) - ENGINE

Схема запчастей Case 885 - (02-32[01]) - OIL FILL LOCATION AND GAUGE OIL LEVEL (02) - ENGINE
6
3
4
2
5
7
1
FIT
1:1
100%

Артикул

Название

Примечание

Количество

1

J963443

TUBE

1шт.

2

J976994

ROD

1шт.

3

75208211

PLUG

1шт.

4

75208372

COVER

1шт.

5

75287869

SEAL

1шт.

6

J911696

TUBE,38.1 - 52.39 mm OD x 102.9, 56.5 mm L

1шт.

7

75208347

SCREW

2шт.

Выбрано товаров: 7