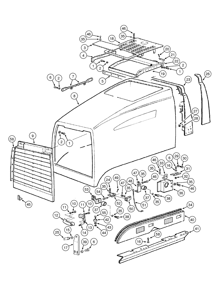
Запчасти Case 885 AWD (09-040[01]) - ENGINE HOOD AND GRILLE (09) - CHASSIS

Схема запчастей Case 885 AWD - (09-040[01]) - ENGINE HOOD AND GRILLE (09) - CHASSIS
52
43
2
47
15
37
47
28
8
26
19
35
10
38
37
35
6
46
36
35
29
38
17
35
23
27
54
10
6
13
41
46
50
45
25
12
22
32
34
9
35
33
55
6
53
39
46
4
46
11
44
1
16
20
2
35
35
14
2
5
1
7
31
35
21
18
35
1
40
46
51
46
11
58
3
48
49
42
2
56
24
30
FIT
1:1
100%

Артикул

Название

Примечание

Количество

1

11106431

SCREW,Hex, M10 x 1.5 x 30mm, Cl 10.9, Full Thd

16шт.

2

12638621

WASHER,M10 x 18 x 2

16шт.

3

75323454

TOP COVER

1шт.

4

75323169

PLATE

RH

1шт.

4

75323213

PLATE

LH

1шт.

5

75321593

BRACKET

1шт.

6

11106431

SCREW,Hex, M10 x 1.5 x 30mm, Cl 10.9, Full Thd

11шт.

7

75323252

ROD

2шт.

8

87572769

HOOD

1шт.

9

87582470

GRILLE

1шт.

10

10902631

BOLT,Hex, M6 x 25mm, Cl 10.9

3шт.

11

12639701

WASHER,6.15mm ID x 11mm OD x 1mm Thk

3шт.

12

60-7083T1

HANDLE

1шт.

13

366176A2

LATCH

1шт.

14

314610A1

BUTTON

1шт.

15

12646921

WASHER,12.2mm ID x 28mm OD x 3mm Thk

2шт.

16

70925927

WASHER

1шт.

17

75324367

PLATE

1шт.

18

75323190

ENGINE HOOD

1шт.

19

75323166

BRACKET

1шт.

20

10734201

COTTER PIN,M2 x 12

2шт.

21

75320970

PIN,12.7mm OD x 105mm L

2шт.

22

75323352

HANDRAIL

hood

2шт.

23

75323240

BRACKET

1шт.

24

14306331

HEX SOC SCREW,M8 x 1.25 x 20mm, Cl 10.9, Full Thd

8шт.

25

87665328

PIN,17.18mm OD x 55mm L

2шт.

26

75323469

SHANK

RH

1шт.

26

75323481

SHANK

LH

1шт.

27

11701731

NUT,M10, Cl 12

6шт.

28

12638601

WASHER,M10 x 18 x 2

6шт.

29

14496731

WASHER,M12 x 24 x 2.5 Thk

8шт.

30

11112431

SCREW,Hex, M12 x 30mm, Cl 10.9, Full Thd

8шт.

31

REF

INSTRUCTION

GUIDE

2шт.

Page 09-44

1шт.

32

11701731

NUT,M10, Cl 12

16шт.

33

75321532

PLATE

2шт.

34

75324198

SEAL

2шт.

35

14496531

WASHER,8.4mm ID x 17mm OD x 1.6mm Thk

80шт.

36

75267325

PLATE

RH

1шт.

36

75266862

PLATE

LH

1шт.

37

75324245

CUSHION

4шт.

38

16043431

SCREW,Hex, M8 x 1.25 x 20mm, Cl 10.9, Full Thd

6шт.

39

12638601

WASHER,M10 x 18 x 2

2шт.

40

87353638

COVER

RH

1шт.

40

87353663

SIDE PANEL

LH

1шт.

41

75267278

SUPPORT

RH

1шт.

41

75267275

SUPPORT

LH

1шт.

42

73066804

PAD

2шт.

43

12639701

WASHER,6.15mm ID x 11mm OD x 1mm Thk

5шт.

44

15896221

NUT,Hex, M6, 5.20mm High, Cl 10

2шт.

45

73163888

BRACKET

2шт.

46

16043231

SCREW,Hex, M8 x 16mm, Cl 10.9, Full Thd

42шт.

47

16100821

NUT,M8, Cl 10

32шт.

48

75325345

SUPPORT

2шт.

49

10734201

COTTER PIN,M2 x 12

8шт.

50

75325241

HINGE

8шт.

51

75261093

FLEXIBLE CABLE

2шт.

52

75325240

HINGE

8шт.

53

75325347

SUPPORT

RH

1шт.

53

75325346

SUPPORT

LH

1шт.

54

75258700

PIN,8mm OD x 57mm L

8шт.

55

10902431

SCREW,Hex, M6 x 20mm, Cl 10.9

2шт.

56

75323724

PLATE

RH

1шт.

56

75323725

PLATE

LH

1шт.

57

75324455

TUBE,760 mm Length

1шт.

Kit includes items 4, 5, 8, 9, 19, 22, 56

1шт.

58

10979321

BOLT,Hex, M10 x 14mm, Cl 8.8, Full Thd

24шт.

Выбрано товаров: 67